
Maszyna ruszyła
Przez telewy,
- Czytaj więcej..
-
- 0 komentarzy
- 952 wyświetleń
Przez telewy,
W piątek przyszło info z banku, że potrzebują dodatkowo wypisu/wyrysu z ewidencji gruntów oraz ksero pierwszej strony z dziennika budowy z wpisami. Trochę zaczyna mnie to irytować, bo chcę kredyt żeby rozpocząć budowę a oni chcą aby ja rozpoczął budowę żeby dali mi kredyt. Nie mniej przyjąłem strategię, że nie dyskutuję. Papiery w gminie już złożyłem (120zł), niestety czas oczekiwania to 3 tygodnie. Dziennik też już jest kupiony i opieczętowany w gminie. Teraz tylko trzeba kierownika znaleźć. Poza tym przy okazji złożyłem wniosek o wydanie warunków technicznych przyłącza wodociągowego (274zł). Z innych rzeczy dostałem wycenę za fundament od wykonawcy domu ale ceną mnie trochę powaliła 55tyś, więc szukam kogoś innego. Byłem też na działce, jest lekko zalana wodą, ktoś w międzyczasie wyciął nam kilka drzewek. Działka jest położona wyraźnie poniżej poziomu drogi, trzeba będzie więc niestety nawieźć trochę ziemi. Na razie szukam też ekipy do wykarczowania zielska, krzaków i drzewek oraz do wykonania ogrodzenia od tyłu i boku. Poniżej kilka fotek z placu bitwy.
http://3.bp.blogspot.com/_4WrkwKzlBf4/S44URhhU2BI/AAAAAAAAANc/2Cf1ml6lZBs/s400/20100302.jpg" rel="external nofollow">http://3.bp.blogspot.com/_4WrkwKzlBf4/S44URhhU2BI/AAAAAAAAANc/2Cf1ml6lZBs/s400/20100302.jpg
http://3.bp.blogspot.com/_4WrkwKzlBf4/S44UZZthLmI/AAAAAAAAANk/uM3ed19fPe4/s400/20100302%28001%29.jpg" rel="external nofollow">http://3.bp.blogspot.com/_4WrkwKzlBf4/S44UZZthLmI/AAAAAAAAANk/uM3ed19fPe4/s400/20100302%28001%29.jpg
http://3.bp.blogspot.com/_4WrkwKzlBf4/S44UgYOpyEI/AAAAAAAAANs/1ig80O5qyM8/s400/20100302%28002%29.jpg" rel="external nofollow">http://3.bp.blogspot.com/_4WrkwKzlBf4/S44UgYOpyEI/AAAAAAAAANs/1ig80O5qyM8/s400/20100302%28002%29.jpg
http://4.bp.blogspot.com/_4WrkwKzlBf4/S44Uzay6utI/AAAAAAAAAN8/Hp_Tg30hndk/s400/20100302%28003%29.jpg" rel="external nofollow">http://4.bp.blogspot.com/_4WrkwKzlBf4/S44Uzay6utI/AAAAAAAAAN8/Hp_Tg30hndk/s400/20100302%28003%29.jpg
http://1.bp.blogspot.com/_4WrkwKzlBf4/S44UlMqcwsI/AAAAAAAAAN0/KUmnO2RUD8w/s400/20100302%28004%29.jpg" rel="external nofollow">http://1.bp.blogspot.com/_4WrkwKzlBf4/S44UlMqcwsI/AAAAAAAAAN0/KUmnO2RUD8w/s400/20100302%28004%29.jpg
Przez telewy,
Projekt domu
Teraz kilka słów na temat projektu. Na wybór takiego a nie innego projektu złożyło się kilka czynników, z których jako główne wymieniłbym:
1. kształt dopasowany do prostokątnego kształtu działki
2. prostota
3. droga przylega od działki od strony południa a ponieważ moja żona jest uzależniona od słońca to salon miał być nasłoneczniony. Nawiasem wkurza mnie jak oglądam jakiś meczyk w TV a słońce daje mi po oczach, ale ten problem chyba jest rozwiązany z notorycznego braku czasu.
4. fajny rozkład pomieszczeń
Poniżej zamieszczam zdjęcia rzutu parteru i poddasza oraz widok domu od zewnątrz, przy czym ta wizualizacja realistyczna odnosi się do oryginalnego projektu z garażem na jeden samochód. To co mi się najbardziej w nim podoba to:
1. położenie kuchni i sąsiadującej z nią spiżarni od północy
2. nasz pokój na górze z wydzieloną częścią nocną
3. wejście z garażu
4. spora łazienka na górze (jak do tej pory zawsze miałem do czynienia z łazienkami wielkości ok. 4m2)
5. układ kuchnia – jadalnia – salon
6. fajne pokoje na poddaszu, nie za małe ale i nie za wielkie
7. pokój nad garażem
A teraz to co mi nie do końca pasuje:
1. mała kotłownia
2. brak garderoby
3. trochę mały pokój na parterze
I na koniec kilka dywagacji.
1. kibelek z łazienką czy osobno? Zarówno mój tata jak i teść zdecydowanie wolą osobną, kiedyś też tak myślałem, ale po przemyśleniach zdecydowałem się na ich połączenie. Po prostu będziemy mieć 2 łazienki więc i tak kogoś, kto nigdy nie miał takich wyborów wydaje się to luksusem. Dodatkowo wydaje mi się to rozwiązaniem tańszym i łatwiejszym.
2. garderoba? Przyznam, że to fajne rozwiązanie, można mieć tam bałagan, którego nie widać. Ale jakoś nie potrafiliśmy z żoną znaleźć miejsca na fajną garderobę i zdecydowaliśmy się, że w pokoju nad garażem postawimy głębokie szafy plus szafy w innych pokojach, podobnie jak to mamy teraz w mieszkaniu. Nawiasem nasze mieszkanie jest chyba przykładem optymalnie wykorzystanej przestrzeni. Jest sporo wolnego miejsca a przy tym jest sporo szaf i innego sprzętu.
3. kominek zamknięty? Pod bardzo długich dywagacjach zdecydowanie otwarty. Kocham żywy ogień i nie chcę na niego patrzeć przez szybę.
4. dużo słońca w lato i nagrzewanie się pomieszczeń? Chcę zrobić sobie okiennice po to tylko aby móc zasłaniać okna przed słońcem. Dodatkowo będzie to jeszcze ozdoba naszego domku.
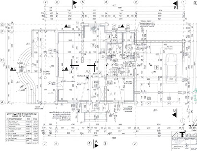
Rzut parteru
http://1.bp.blogspot.com/_4WrkwKzlBf4/S4d8qSNybnI/AAAAAAAAAMc/ndOrCG5A8QY/s1600-h/at-64-skany_21.jpg" rel="external nofollow">http://1.bp.blogspot.com/_4WrkwKzlBf4/S4d8qSNybnI/AAAAAAAAAMc/ndOrCG5A8QY/s1600-h/at-64-skany_21.jpg" rel="external nofollow">http://1.bp.blogspot.com/_4WrkwKzlBf4/S4d8qSNybnI/AAAAAAAAAMc/ndOrCG5A8QY/s400/at-64-skany_21.jpg" rel="external nofollow">http://1.bp.blogspot.com/_4WrkwKzlBf4/S4d8qSNybnI/AAAAAAAAAMc/ndOrCG5A8QY/s400/at-64-skany_21.jpg
Rzut poddasza
http://2.bp.blogspot.com/_4WrkwKzlBf4/S4d828axEQI/AAAAAAAAAMk/PmY5rNuBAZo/s1600-h/at-64-skany_23.jpg" rel="external nofollow">http://2.bp.blogspot.com/_4WrkwKzlBf4/S4d828axEQI/AAAAAAAAAMk/PmY5rNuBAZo/s1600-h/at-64-skany_23.jpg" rel="external nofollow">http://2.bp.blogspot.com/_4WrkwKzlBf4/S4d828axEQI/AAAAAAAAAMk/PmY5rNuBAZo/s400/at-64-skany_23.jpg" rel="external nofollow">http://2.bp.blogspot.com/_4WrkwKzlBf4/S4d828axEQI/AAAAAAAAAMk/PmY5rNuBAZo/s400/at-64-skany_23.jpg
Widoki z zewnątrz
http://3.bp.blogspot.com/_4WrkwKzlBf4/S4d8_wuqZQI/AAAAAAAAAMs/CZuNvGRGnB4/s1600-h/at-64-skany_37.jpg" rel="external nofollow">http://3.bp.blogspot.com/_4WrkwKzlBf4/S4d8_wuqZQI/AAAAAAAAAMs/CZuNvGRGnB4/s1600-h/at-64-skany_37.jpg" rel="external nofollow">http://3.bp.blogspot.com/_4WrkwKzlBf4/S4d8_wuqZQI/AAAAAAAAAMs/CZuNvGRGnB4/s400/at-64-skany_37.jpg" rel="external nofollow">http://3.bp.blogspot.com/_4WrkwKzlBf4/S4d8_wuqZQI/AAAAAAAAAMs/CZuNvGRGnB4/s400/at-64-skany_37.jpg
http://2.bp.blogspot.com/_4WrkwKzlBf4/S4d9FRCHjfI/AAAAAAAAAM0/eBO4b-e4g2I/s1600-h/at-64-skany_38.jpg" rel="external nofollow">http://2.bp.blogspot.com/_4WrkwKzlBf4/S4d9FRCHjfI/AAAAAAAAAM0/eBO4b-e4g2I/s1600-h/at-64-skany_38.jpg" rel="external nofollow">http://2.bp.blogspot.com/_4WrkwKzlBf4/S4d9FRCHjfI/AAAAAAAAAM0/eBO4b-e4g2I/s400/at-64-skany_38.jpg" rel="external nofollow">http://2.bp.blogspot.com/_4WrkwKzlBf4/S4d9FRCHjfI/AAAAAAAAAM0/eBO4b-e4g2I/s400/at-64-skany_38.jpg
http://4.bp.blogspot.com/_4WrkwKzlBf4/S4d9J4P32HI/AAAAAAAAAM8/uRJFh4fCYi8/s1600-h/at-64-skany_39.jpg" rel="external nofollow">http://4.bp.blogspot.com/_4WrkwKzlBf4/S4d9J4P32HI/AAAAAAAAAM8/uRJFh4fCYi8/s1600-h/at-64-skany_39.jpg" rel="external nofollow">http://4.bp.blogspot.com/_4WrkwKzlBf4/S4d9J4P32HI/AAAAAAAAAM8/uRJFh4fCYi8/s400/at-64-skany_39.jpg" rel="external nofollow">http://4.bp.blogspot.com/_4WrkwKzlBf4/S4d9J4P32HI/AAAAAAAAAM8/uRJFh4fCYi8/s400/at-64-skany_39.jpg
http://4.bp.blogspot.com/_4WrkwKzlBf4/S4d9OxabCbI/AAAAAAAAANE/HBuf5TEjWM8/s1600-h/at-64-skany_40.jpg" rel="external nofollow">http://4.bp.blogspot.com/_4WrkwKzlBf4/S4d9OxabCbI/AAAAAAAAANE/HBuf5TEjWM8/s1600-h/at-64-skany_40.jpg" rel="external nofollow">http://4.bp.blogspot.com/_4WrkwKzlBf4/S4d9OxabCbI/AAAAAAAAANE/HBuf5TEjWM8/s400/at-64-skany_40.jpg" rel="external nofollow">http://4.bp.blogspot.com/_4WrkwKzlBf4/S4d9OxabCbI/AAAAAAAAANE/HBuf5TEjWM8/s400/at-64-skany_40.jpg
Wizualizacje oryginalnego projektu. Główne różnice w stosunku do tego co mamy to: garaż dwustanowiskowy i jedno okno z widokiem na taras na praterze (zamiast dwóch).
http://3.bp.blogspot.com/_4WrkwKzlBf4/S4d-paw0OxI/AAAAAAAAANM/9Tyhv9Kj1mM/s1600-h/at-64_wizualizacja_1.jpg" rel="external nofollow">http://3.bp.blogspot.com/_4WrkwKzlBf4/S4d-paw0OxI/AAAAAAAAANM/9Tyhv9Kj1mM/s1600-h/at-64_wizualizacja_1.jpg" rel="external nofollow">http://3.bp.blogspot.com/_4WrkwKzlBf4/S4d-paw0OxI/AAAAAAAAANM/9Tyhv9Kj1mM/s400/at-64_wizualizacja_1.jpg" rel="external nofollow">http://3.bp.blogspot.com/_4WrkwKzlBf4/S4d-paw0OxI/AAAAAAAAANM/9Tyhv9Kj1mM/s400/at-64_wizualizacja_1.jpg
http://3.bp.blogspot.com/_4WrkwKzlBf4/S4d-twJqw-I/AAAAAAAAANU/v96y3JAqFHc/s1600-h/at-64_wizualizacja_2.jpg" rel="external nofollow">http://3.bp.blogspot.com/_4WrkwKzlBf4/S4d-twJqw-I/AAAAAAAAANU/v96y3JAqFHc/s1600-h/at-64_wizualizacja_2.jpg" rel="external nofollow">http://3.bp.blogspot.com/_4WrkwKzlBf4/S4d-twJqw-I/AAAAAAAAANU/v96y3JAqFHc/s400/at-64_wizualizacja_2.jpg" rel="external nofollow">http://3.bp.blogspot.com/_4WrkwKzlBf4/S4d-twJqw-I/AAAAAAAAANU/v96y3JAqFHc/s400/at-64_wizualizacja_2.jpg
Tak prezentuje się działka z lotu satelity
http://4.bp.blogspot.com/_4WrkwKzlBf4/S4ZwmxE8cgI/AAAAAAAAALw/aCIx9MJKe4A/s1600-h/dzialka_20100218_02.jpg" rel="external nofollow">http://4.bp.blogspot.com/_4WrkwKzlBf4/S4ZwmxE8cgI/AAAAAAAAALw/aCIx9MJKe4A/s1600-h/dzialka_20100218_02.jpg" rel="external nofollow">http://4.bp.blogspot.com/_4WrkwKzlBf4/S4ZwmxE8cgI/AAAAAAAAALw/aCIx9MJKe4A/s400/dzialka_20100218_02.jpg" rel="external nofollow">http://4.bp.blogspot.com/_4WrkwKzlBf4/S4ZwmxE8cgI/AAAAAAAAALw/aCIx9MJKe4A/s400/dzialka_20100218_02.jpg
A tak wygląda rozmieszczenie domu na działce zgodnie z adaptacją projektu.
http://4.bp.blogspot.com/_4WrkwKzlBf4/S4ZxVTYO_UI/AAAAAAAAAL4/0G18f28UwlU/s1600-h/adaptacja_projektu_20.jpg" rel="external nofollow">http://4.bp.blogspot.com/_4WrkwKzlBf4/S4ZxVTYO_UI/AAAAAAAAAL4/0G18f28UwlU/s1600-h/adaptacja_projektu_20.jpg" rel="external nofollow">http://4.bp.blogspot.com/_4WrkwKzlBf4/S4ZxVTYO_UI/AAAAAAAAAL4/0G18f28UwlU/s400/adaptacja_projektu_20.jpg" rel="external nofollow">http://4.bp.blogspot.com/_4WrkwKzlBf4/S4ZxVTYO_UI/AAAAAAAAAL4/0G18f28UwlU/s400/adaptacja_projektu_20.jpg
Przez telewy,
W pewnym momencie, gdzieś w 2005, zaczynamy rozmawiać o budowie domu, oglądamy działkę. Niestety widzę brak zachwytu u mojej małżonki co oznacza, że sprawa dalej pozostaje ma moich barkach. Oczywiście poszukiwań projektu dokonujemy wspólnie, z dużym zaangażowaniem. Szukamy projektu gotowego, jakoś nie wierzymy, że nie znajdziemy czegoś co nam będzie odpowiadało. Ponieważ jest nas dwoje więc szuka się 2 razy trudniej bo trzeba pogodzić dwa charaktery. Przyznam, że początkowo, zachęcany przez wspomnianego wcześniej kolegę Jarka, szukałem czegoś większego, ponad 200m. Przez długi okres czasu moim faworytem był projekt z pracowni http://www.archigraph.pl/projekt/napoli-ii.html" rel="external nofollow">http://www.archigraph.pl/projekt/napoli-ii.html" rel="external nofollow">http://www.archigraph.pl/projekt/napoli-ii.html" rel="external nofollow">http://www.archigraph.pl/projekt/napoli-ii.html Archigraph Napoli II. Jednakże po długich przemyśleniach doszedłem do wniosku, że nie potrzebuję tak dużego domu a co najważniejsze, że zawsze najlepiej czułem się w mniejszych, przytulnych pomieszczeniach. Tak więc zrezygnowaliśmy z Napoli, nie mniej wizja powoli nam się klaruje i powoli zbliżamy się tego co byśmy chcieli osiągnąć godząc nasze oczekiwania:
- powierzchnia ok. 150m, parterowy z zagospodarowanym poddaszem, garaż dwustanowiskowy
- kształt w trakcie prostokąta wynikający z kształtu działki
- dużo słońca w salonie, kuchnia od strony północnej
- spiżarnia przy kuchni
- jedna łazienka na dole jedna na górze. Rezygnujemy z dodatkowej łazienki przy pokoju rodziców. Obydwoje wychowaliśmy się w rodzinach 4osobowych z jedną łazienką więc 2 łazienki w mieszkaniu wydają się nam i tak luksusem.
- na dole kuchnia, salon, pokój, łazienka+wc, spiżarnia, kotłownia, garaż, wiatrołap
- na górze 3 pokoje, łazienka +wc
- strych nad garażem zagospodarowany w dodatkowy pokój
Szukając projektu natknąłem się na domy z bala. Pierwsza weryfikacja była bardzo negatywna, nie pamiętam już dokładnie ale jak zobaczyłem jakieś ceny to od razu wymiękłem. Jednak później okazało się, że z bala można budować i to po rozsądnych kosztach. Fakt piękna drzewa oraz krótkiego czasu trwania inwestycji powoduje, że decyduje się na tą technologię.
Po przewertowani dziesiątek katalogów, kiedy wydawało się nam, że nic nie możemy znaleźć natknąłem się na projekt domu http://www.atstudioprojekt.com/index.php?inc=main&l=menu_katalog&f=at64AT-64" rel="external nofollow">http://www.atstudioprojekt.com/index.php?inc=main&l=menu_katalog&f=at64AT-64" rel="external nofollow">http://www.atstudioprojekt.com/index.php?inc=main&l=menu_katalog&f=at64AT-64" rel="external nofollow">http://www.atstudioprojekt.com/index.php?inc=main&l=menu_katalog&f=at64AT-64 z pracownik ATstudioPROJEKT Tomasz Rys. Bez większych zastanowień zgodziliśmy się, że to jest to i nie ma co dalej wertować katalogów. Zacząłem uzgadniać szczegóły z biurem projektowym, jako że chciałem wprowadzić drobne zmiany.
Jadąc do teściów natknąłem się na firm budującą domy z bala. Złożyliśmy im wizytę i wstępnie rozmawialiśmy o inwestycji. Technologia jest do wyboru: albo bal gruby 18cm albo bal, czy może jak by powiedzieli co niektórzy, balik 7cm. Zdecydowałem się na technologię bal 7cm+ocieplenie+bal 7cm. Technologia jest może dosyć mało popularna ale mi się wydaje optymalna, a na pewno bardziej mi odpowiada niż technologia bal 18cm+wełna+deska/lub gk. 10-04-2007 uczyniłem pierwszy krok w kierunku budowy, mianowicie złożyłem wniosek o wypis i wyrys w gminie. Po miesiącu odebrałem wypis i wyrys, potem zamówiłem u geodety mapki. W czerwcu, w piękny słoneczny dzień, wizytujemy działkę, Ania jest w zaawansowanej ciąży, rozmawiamy z sąsiadami. Okazuje się, że Pani Zosia zmarła. Okazuje się również, że mamy miłych sąsiadów, którzy oczekują naszej budowy. Działka jest zachwaszczona maksymalnie, poza tym powyrastało tam sporo dzikich krzewów, są nawet już drzewa, szczęśliwie jeszcze nie na tyle grube żeby był problem z ich wycięciem. W międzyczasie miałem kupę roboty i urodził się Stasiu, sprawy mocno stanęły, tzn. w ogóle stanęły. Pod koniec 2007 kupiłem projekt http://www.atstudioprojekt.com/index.php?inc=main&l=menu_katalog&f=at64" rel="external nofollow">http://www.atstudioprojekt.com/index.php?inc=main&l=menu_katalog&f=at64" rel="external nofollow">http://www.atstudioprojekt.com/index.php?inc=main&l=menu_katalog&f=at64" rel="external nofollow">http://www.atstudioprojekt.com/index.php?inc=main&l=menu_katalog&f=at64 zmodyfikowany o kilka rzeczy (lustrzane odbicie, podwójny garaż, pewne re aranżacje na piętrze) i na tym zakończyłem budowę.
W międzyczasie trochę sobie czytałem, Murator, Budujemy Dom i takie inne oraz oczywiście internet. Poziom mojej wiedzy trochę wzrósł, nie mniej problemem nr 1 staje się chroniczny brak czasu. Po drugie moja kochana małżonka najwyraźniej nie czuje dużego ciągu do budowy domu poza miastem i w tych działaniach zdecydowanie brakuje mi dodatkowej motywacji z jej strony. Tak więc chwilowo poświęcam się Staszkowi a budowa na razie musi poczekać. W lutym 2009 wracam do tematu Pozwolenia na budowę. Tym razem sprawę zleciłem osobie poleconej przez gminę i nie muszę sam za tym biegać. Udaje mi się podpisać umowę na dostawę energii i w czerwcu 2009 odbieram pozwolenie. W tym samym czerwcu rodzi się nasza Zosia. W międzyczasie prowadzę negocjacje z firmą, która będzie potencjalnym wykonawcą. W przyjętych założeniach planuję:
- parter budowę z bala 70mm z podwójnym piórem + szczelina wypełniona termexem + bal 70mm
- poddasze - bala 70mm + wełna + gk
- dach - blachodachówka
- ogrzewanie (ciągle się waham czy gaz czy pelet) - na dzień dzisiejszy skłaniam się ku piecowi na pelet Granpal, ogrzewanie tradycyjne czyli kaloryfery. Zastanawiam się jeszcze nad ogrzewaniem podłogowym na parterze w kuchni i w łazience
- kominek tradycyjny czyli otwarty
- okna jakieś standardowe, 5cio-komorowe, w dachu okna połaciowe Fakro, okno w łazience na dachu Fakro 3trójna szyba
- ocieplenie poddasza - wełna 30cm
- ocieplenie podłogi na ziemi - 30cm styropian
- centralny odkurzacz
- instalacja alarmowa
- czujniki temperatury (wykonanie własne)
- podłogi parter i piętro z sosny
- brama garażowa szerokość 475cm
- instalacja solarna - ciągle o tym myślę, ale nie w kontekście oszczędności tylko w kontekście możliwości wyłączenia pieca w lata. Kosztowo niestety to się raczej nie opłaca, ale na dzisiaj ciągle jestem skłonny na tą inwestycję.
- szambo 10m3 - na razie innej alternatywy nie mam
Mam koszt domu z ociepleniem ścian, dachu, dach do papy, z oknami, drzwiami, schodami, wykończonymi podłogami, sufitami, ścianami działowymi, bez instalacji, blachodachówki wydaje się dosyć wysoki, już sam nie wiem. Generalnie wygląda, że całość może uda się zamknąć w okolicach 500tyś. W grudniu 2009 spłacam kredyt hipoteczny mieszkania. W końcu jest moje, ale na krótko, bo budowę chcę finansować z kredytu zaciągniętego na mieszkanie. Od początku roku chodzę za kredytem, na chwilę obecną mam złożony komplet papierów w DnBNord i czekam na decyzję. Jak się okazało, fakt że działka ma status letniskowej nieco komplikuje sprawę i wszystko lekko się przeciąg. Z drugiej strony ceny działek w okolicy mojej działki wynoszą od 150zł w górę, tak bynajmniej wynika z internetu. Prawda jest więc taka, że gdybym w 1997 nie kupił tej działki to teraz bym się nie budował. Koszt budowy powiększony o zakup działki przekracza nasz możliwości w kategoriach zdroworozsądkowych, bo nie chcę do końca życia każdej złotówki odkładać an spłatę kredytu i budować się za wszelką cenę.