Miesięcznik Murator ONLINE

Skocz do zawartości

Rackk

Użytkownicy
  • Liczba zawartości

    6
  • Rejestracja

Converted

  • Tytuł
    WITAJ, tu znajdziesz opowiedzi na swoje pytania

Rackk's Achievements

WITAJ, czytaj i pytaj... :)

WITAJ, czytaj i pytaj... :) (1/9)

10

Reputacja

  1. Rackk

    Wymiennik cwu.

    Dzięki za odpowiedź. Jaki byście polecili wymiennik? Elektromet, Kospel czy może jakiś inny i dlaczego? 300l wystarczy?
  2. Rackk

    Wymiennik cwu.

    Witam. Jestem na etapie kompletowania kotłowni. Kocioł na paliwo stałe. Z powodu kurczącego się budżetu chciałbym na razie zamontować instalację pod solary, które w przyszłości będę mógł zainstalować bez konieczności kucia w ścianach. 1. Pytanie jednak odnośnie zasobnika cwu. Czy w takim przypadku zdecydować się na zbiornik z dwoma wężownicami czy lepiej później dokupić drugi? 2. Czy jak nie będę miał póki co zamontowanych kolektorów to zbiornik dwuwężownicowy będzie grzał "na pół gwizdka" czy nie ma to znaczenia?
  3. Witam. Jestem na etapie prac instalacyjnych niedługo będę przystępował kładzenia tynków. Najpierw jednak chcę się upewnić, że nie zapomniałem o żadnym "kabelku" Położone są przewody od: - obwody elektryczne na gniazdka wewnątrz - obwody na oświetlenie wewnątrz - obwody na gniazdka na zewnątrz + zasilanie bramy - obwody na oświetlenie na zewnątrz - instalacja domofonu na 2 słuchawki - przewody od automatyki kotła i czujek temp. - przewody telewizyjne - instalacja alarmowa - gniazdo 3-fazowe w garażu Podpowiedzcie o czym zapomniałem, abym mógł w przyszłości uniknąć niepotrzebnego skuwania tynków.
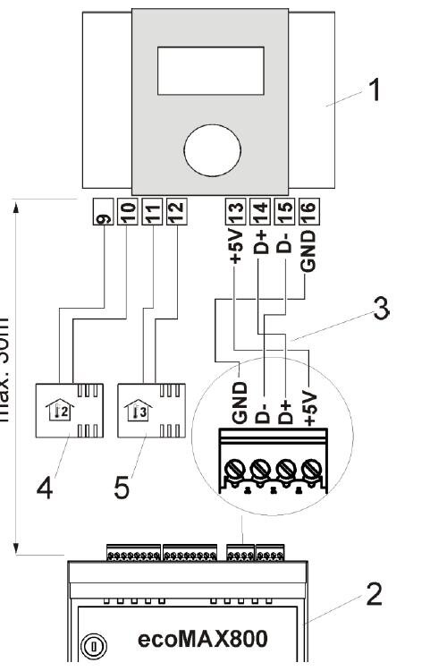
  4. Witam. Proszę o pomoc w zakupie przewodu do połączenia kotła z panelem pokojowym. Na załączonym zdjęciu przewód ten oznaczony jest numerem 3.
  5. Witam. Kilka dni temu wykonałem wykop pod dom, który ma byc podpiwniczony. Około 1,8m poniżej terenu. Nie ma wody gruntowej natomiast po jakimś metrze piasku pojawiła się glina. W związku z tym, że jest to glina - nie wsiąka w nią woda z opadów. I w tym właśnie tkwi problem. Ostatnie dni były deszczowe i po odpompowaniu wody z wykopu pozostała warstwa ok. 10cm uplastycznionej gliny. Do rzędnej spodu ław pozostało jeszcze 20cm do wybrania. Murarz chce poczekac, aż wykop obeschnie. Jednak nie wiem czy to możliwe przy takiej pogodzie i w ten sposób co parę dni będę pompował wodę z dna wykopu i czekał słoneczne lato, które ma przyjśc w sierpniu Smile Może jakieś propozycje?
  6. Witam serdecznie. Jestem na etapie projektu. Mam pytanie. Planuję budować podpiwniczony dom ze ściany jednowarstwowej YTONG 40cm. Jakie będzie najlepsze posadowienie bloczka z Ytonga na bloczku betonowym, z którego wykonywane będą ściany piwnic....
×
×
  • Dodaj nową pozycję...