wenon
Użytkownicy-
Liczba zawartości
12 -
Rejestracja
Typ zawartości
Profile
Forum
Artykuły
Blogi
Pobrane
Sklep
Wydarzenia
Galeria
Zawartość dodana przez wenon
-
ok dołożymy naczynie wzbiorcze, ale mam pytanie czy pompy nie bedą sie zakłucać jesli jedna od co jest na powrocie a od cwu na zasilaniu chodzi mi czy nie bedzie sytuacji że pompa od co bedzie przepychała wodę przez pompę cwu i niepotrzebnie ładowała bojler. oraz czy jesli tak pompy mogą zostać to czy lepiej powrót z cwu dać przed pompą co czy za pompą(bliżej pieca) czy to bez różnicy?
- 4 odpowiedzi
-
- cwu
- instalacja
-
(i 3 więcej)
Oznaczone tagami:
-
właśnie tu też mam problem kocioł jest 2 bary. 2 barowych zaworów bezp. nie widziałem, czyli lepiej dać 1.5bara a cały układ ustawić żeby pracował na 1.3bara? wodę z dbv bedę odprowadzał do 50l beczki stalowej, a jak woda wystygnie bede ja spuszczał do kanalizacji, bo raczej kanalizacja może nie wytrzymać takiej temp.
- 4 odpowiedzi
-
- cwu
- instalacja
-
(i 3 więcej)
Oznaczone tagami:
-
Witam chciałbym prosić o sprawdzenie poprawności schematu układ bedzie zamknięty z zaworem dbv, wymiennik do cwu dwupłaszczowy 100l piec 11kw z wentylatorem i sterownikiem nie wiem tylko w sumie jak bedzie taki układ sprawował się z jedną pompa do co na powrocie pieca, a druga na zasilaniu do cwu czy nie lepiej dać obie pompy na zasilaniu? dlaczego taki układ, ano dlatego że jest bardzo nisko strom i nie ma możliwości powieszenia naczynia wyrównawczego do układu otwarteg. układ był otwarty przez wymiennik płytowy ale naczynko wyrównawcze wisiało jakieś 40cm nad piecem i cały czas było słychać w nim bulgotanie było to dokuczliwe. wiec idzie przeróbka na zamknięty plus w tym roku dokładam wymiennik do cwu. w przyszłym roku bedę chciał dożucić bufor. wszelkie uwagi mile widziane Pozdrawiam
- 4 odpowiedzi
-
- cwu
- instalacja
-
(i 3 więcej)
Oznaczone tagami:
-
czy nikt mi nie pomoże?
- 10 odpowiedzi
-
- instalacja
- płytowym
-
(i 1 więcej)
Oznaczone tagami:
-
Witam ponownie W tej chwili piec jest podłaczony nastepująco. jest tylko jeden problem w piecu słychać tak jakby bulgotanie czy to przez to że pompa jest na zasilaniu? bałem sie dawać pompę na powrocie ze względu na niską wysokość naczynia przelewowego bo myslałem ze bedzie wywalać wodę. na schemacie nie umieszczałem wszystkich zaworów kulowych aby było bardziej czytelnie. narazie mam mały remoncik w piwnicy i bede przestawiał trochę piec aby obok pieca wcisnąć wymienik do cwu i tu mam pytanie czy zastosować do wymienika pompę obiegową czy dać elektrozawór normalnie zamknięty? a może od razu zmienić pompy z zasilania na powrót? cały układ na piecu jest dość mały w sam piec wchodzi 40l wody plus to co w wymienniku płytowym i w rurach. Z góry dziekuję za pomoc.
- 10 odpowiedzi
-
- instalacja
- płytowym
-
(i 1 więcej)
Oznaczone tagami:
-
ok dzieki i tak rozmawiałem ze znajomym gazownikiem i zalecił mi dać dodatkowe naczynie. naczynko juz zakupione 12l + sekcja bezpieczenstwa i wszystkie graty po mału bedzie zaczynany montaż wszystkiego. koszty wszystkiego prawie tyle samo co koszt zakupu pieca. od razu wilicze koszty co niektóre jak najtaniej. 2 pompy omni gena ze srubunkami prawie 300zł piez go drapał wziołem najtańsze ze wzgledu na gw. 2lata może rok wytrzymają narazie tu oszczędze albo i nie. wymiennik płytowy ze srubunkami 32 płytowy- 417zł naczynie przeponowe+grupaa bezpieczeństwa prawie -200zł naczynie wzbiorcze otwarte+filtry+zawory+rużnego rodzaju śrubunki+itp -360zł rur miedzianych nie licze bo mam trochę nie wymiarowe bo 1 i 1/8cala od systemów klimatyzacji ale da się je połaczyć z 1". wiec tu zaoszczędzę. rury miedzine polutowane bedą lutem twardym z 5 lub 40 % zawartością srebra w zależności które będą pod ręką. plus podłaczenie pieca do komina tu sam bedę dorabiał przejściówkę. normalnie koszty pewnie z 200zł praktycznie ta instalacja wyniesie tyle samo co piec, a za piec zapłaciłem 2400 zł roboty oczywiście nie liczę i niektórych materiałów. dziękuję wszystkim za pomoc.
- 10 odpowiedzi
-
- instalacja
- płytowym
-
(i 1 więcej)
Oznaczone tagami:
-
tutaj jest schemat tego pieca http://rcsj.struzka.com.pl/Download_files/instrukcje/Kotly_wiszace/Novatherm/ZW20KD%20-%20instrukcja%20obslugi%20kotla%20Junkers%20Novatherm.pdf czy może ktoś sprawdzić jak jest z tym naczyniem.
- 10 odpowiedzi
-
- instalacja
- płytowym
-
(i 1 więcej)
Oznaczone tagami:
-
dzieki za odpowiedzi. naczynie przpeponowe jest w piecu gazowym, tak samo jak i zawór bezpieczenstwa, piec to junkers novatherm zw20. wiec chyba nie muszę już dublować naczynia przeponowego? czy może dla pewności dać jeszcze sekcję bezpieczeństwa w piwnicy, chociaż mi sie wydaję że to bez sensu, ale mogę się mylić. w piecu gazowym jest chyba 8l.
- 10 odpowiedzi
-
- instalacja
- płytowym
-
(i 1 więcej)
Oznaczone tagami:
-
Witam mam pytanko odnośnie załaczonego schematu. wymiennik Plytowy bedzie umieszczony mniej wiecej na takiej wysokości jak na rysunku, piec 11kw galmet ze sterownikiem wg tego co znalałem w sieci w moim przypadku pompę po stronie pieca, muszę zamontować po stronie zasilającej bo wysokość naczynia wzbiorczego nie przekracza 0.7m wysokości podnoszenia pompy jeśli pompa była by na powrocie mogło by dochodzić do wyżucania wody przez naczynie wzbiorcze.? czy w tym przypadku pompę po 2-stronie też dać po stronie zasilania czy tak jak na schemacie po stronie powrotnie.? oraz czy dobrze narysowałem podłaczenie naczynia wzbiorczego? uwagi mile widziane.
- 10 odpowiedzi
-
- instalacja
- płytowym
-
(i 1 więcej)
Oznaczone tagami:
-
Grupa nadarzyńsko - grodziska
wenon odpowiedział Fido__ → na topic → Grupa nadarzyńsko - grodziska Grupa nadarzyńsko - grodziska Topics
jeśli ktoś by chciał zakładać klimatyzację typu z marketu to służę pomocą przy montażu. ceny przynajmniej o połowe tańsze niż firmy tym sie zajmujące. dokładniej na priv. -
narazie jest woda bo układ otwarty glikol bedzie dopiero jak zamknę układ. kocioł gazowy ma swoja pomkę. a jak sprawa z zaworem 4-D jest sens go stosować dla tak małego układu.
- 3 odpowiedzi
-
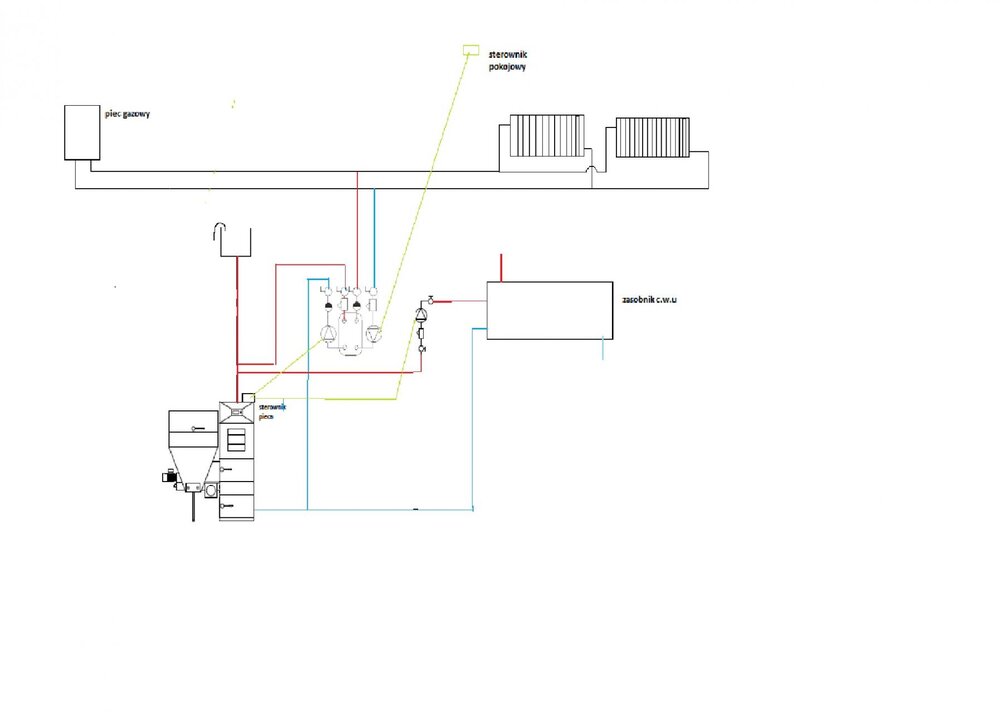
Na początek witam wszystkich. planuję zmiane pieca węglowego typu śmieciuch na piec retortowy na oku mam piec Galmet EKO GT-KWP 12KW. do ogrzania mam 80m. w tej chwili układ pracuje w układzie otwartym razem z piecem gazowym junkers novatherm ZW20 dość stara jednostka gazo żerna, używany tylko w nocy do podtrzymania temp. w dzień palone weglem. mieszkanie to kamienica przedwojenna z czerwonej cegły jeszcze nie ocieplona. instalacja przerobiona na miedz 1 1/8" (czyli około 28mm) główny rurociąg od pieca do grzejników natomiast do samych grzejników 1/2" (sa to rury klimatyzacyjne takie miałem wiec ich użyłem) główny rurociąg ma około 30m długości, grzejników w mieszkaniu jest 9 średnio wychodzi jakieś 10 żeberek na grzejnik. na grzejnikach zwykłe zawory. (nie termostatyczne) grzejniki sa aluminiowe żeberkowe takie były jak kupiłem mieszkanie zmieniłem rury ze starych stalowych na miedz. w tej chwili w układ wchodzi mi około 80-100 l wody. układ chciałbym zrobić następująco: piec gazowy w układzie zamkniętym zalany glikolem do tego wymiennik płytowy i piec retortowy w układzie otwartym z zasobnikiem na ciepłą wodę jakieś 80-100l (2 osoby + dziecko) narysowałem kilka schematów i chciałbym prosić o opinie który bedzie najlepszy. wg mnie po buszowaniu w googlach i różnych forach najrosodniejszy bedzie schemat nr 4 ale mogę sie mylić. pionu od pieca do rur poziomych jest około 2-2,5m. piwnicę mam niska bo w tej chwili ma jakieś 1,9m ale bede ją pogłębiał do 2.2m temperaturą w mieszkaniu chciałbym sterować termostatem pokojowym który załaczałby pompę po stronie wtórnej wymiennika ale nie wiem czy to bedzie dobrze działać. czy musi być załaczana razem z pompą po stronie pierwotnej przez sterownik pieca. z tego co wyczytałem na temat tego pieca to ma on tylko regulacja przez czujnik pogodowy. chciałbym także sie dowiedzieć jakie pompy zastosować, jaki wymiennik(myśle że 20Płytowy wystarczy) i jakiej pojemności naczynie wyrównawcze które bedzie wisieć tylko jakieś 1-1,5m nad piecem. z góry dziekuje za wszystkie sugestje. Pozdrawiam Jacek[ATTACH]41046[/ATTACH][ATTACH]41047[/ATTACH][ATTACH]41048[/ATTACH][ATTACH]41049[/ATTACH][ATTACH]41063[/ATTACH][ATTACH]41046[/ATTACH][ATTACH]undefined[/ATTACH][ATTACH]undefined[/ATTACH][ATTACH]undefined[/ATTACH][ATTACH]undefined[/ATTACH]
- 3 odpowiedzi
