Miesięcznik Murator ONLINE

Skocz do zawartości

buzinka

Użytkownicy
  • Liczba zawartości

    5
  • Rejestracja

Zawartość dodana przez buzinka

  1. Sprzęgła jeżeli faktycznie jest konieczne teraz już nie jestem w stanie zamontować. Zawory mieszające mogę podkręcić na odpowiednio wysoką temperaturę aby nie mieszały wody. Pytanie tylko, czy mogę po prostu odłączyć te dodatkowe pompy obiegowe od zasilania, jeżeli faktycznie kocioł powinien poradzić sobie z ogrzaniem (przepompowaniem) wody przez cały układ ogrzewania to może jest to jakieś rozwiązanie. Przynajmniej będę w stanie stwierdzić czy problem wynika z "nadmiarowej" pracy pomp czy może zawór trójdrożny przepuszcza (w sumie to jedno nie wyklucza drugiego)
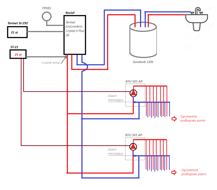
  2. Przygotowałem schemat. Doprecyzuję, że kocioł poprawnie zarządza "trybami" CWU i CO (CWU ma priorytet), jednak (w moim rozumieniu) podczas trybu CWU pompy zewnętrzne (odpowiedzialne za CO) tłoczą wodę do kotła przez co "wymiennik ciepła" oddaje energię nie tylko do obwodu CWU ale także do CO (nie wiem czy to jest technicznie możliwe, ale tak to sobie wyobrażam). Sprzęgła hydraulicznego nie ma. Łączna powierzchnia to 120m^2 podzielone na dwa obwody / listy rozdzielające po 60m^2.
  3. Posiadam kocioł jednofunkcyjny Termet EcoCondens Crystal II Plus 20, zasobnik 120l oraz ogrzewanie podłogowe (dwa rozdzielacze z pompami - Moduł mieszający BTU 501 AP AFRISO przy każdym rozdzielaczu). Do tego regulator pokojowy i sterownik ST-21 z czujnikiem temp. zamontowanym na wyjściu CO ustawiony, aby po wykryciu temp. pow. 25 st. uruchamiał obie pompy zamontowane przy rozdzielaczach. Pierwszy problem jaki mam to fakt, że ta temperatura 25 st. osiągana jest zawsze podczas pracy kotła w "trybie" CWU co powoduje start pomp CO i tłoczenie wody do kotła. Tutaj pojawia się drugi problem ponieważ nie wiem dlaczego ale woda na podłogę się nagrzewa (świeci się ikona CWU a nie CO) i to do temperatur znacznie przekraczających temp. zadaną dla podłogi (dobrze, że BTU 501 AP jest ustawiony na ok. 30st bo na podłogówkę poszło by mi z 50st w skrajnych przypadkach). Wydawało mi się, że nawet jak pompy będą pracować to jest w kotle jakiś zawór odcinający ale chyba tak nie jest. W ogóle sterowanie ST-21 nie ma sensu i te pompy praktycznie cały czas pracują. Pokłosiem tego stanu jest sytuacja w której ustawiam zadaną temp. na regulatorze pokojowym np. 21st. Temperatura zadana zostaje osiągnięta, ale gdy włączy się tryb cwu i podłoga dalej grzeje (dziś rano miałem ponad 23st gdzie ustawione jest 21). Bardzo proszę o radę, co mogę w takiej sytuacji zrobić? Idealnie byłoby gdyby te dodatkowe pompy wyłączały się w momencie przejścia kotła w tryb CWU lub po osiągnięciu temperatury zadanej na regulatorze pokojowym.
  4. Cześć, Doradźcie proszę jak osadzić puszkę pod włącznik dzwonka zewn. w sytuacji gdy przewód jest już zamontowany i wyprowadzony (tak jak na zdjęciu). Żona upiera się, że nie chce włącznika natynkowego a chce taki zwyczajny, który po prostu nie wystaje nie wiadomo ile. W tym celu muszę osadzić puszkę, ale jak to zrobić skoro przewód jest już osadzony. Do tego materiał nie jest łatwy bo jest to jakaś płytka ceramiczna (naklejona chyba na styropian).
  5. Witam, Niedawno wprowadziłam się do nowego mieszkania z balkonem. Balkon jest wspólny z sąsiadem – oddzielony przegrodą. Przegroda ta niestety nie dochodzi do samej ściany oraz do podłogi (ok 10cm luzu jest od ściany a aż 20cm od podłogi i sufitu balkonu). Nie stanowiło to dla mnie problemu do czasu aż sąsiad zaczął wynajmować swoje mieszkanie – co tydzień inne osoby. Pomijając fakt, że sąsiedzi zachowują się bardzo głośno, to po prostu nowe osoby podglądają co się dzieje na moim balkonie oraz z moim mieszkaniu. Wczoraj miałam taką sytuację, że lokator nie przejmował się tym że go widzę tylko gapił się przez szczelinę od ściany gdy ja siedziałam przy komputerze. Gdyby sąsiedzi się nie zmieniali załatwiłabym to jeden raz rozmawiając z nim, ale co tydzień spotykam inne osoby. Proszę wiec forumowiczów o pomoc, czym mogę uszczelnić tą przegrodę od ściany oraz od podłogi tak aby zupełnie zatkać tą szczelinę? W internecie znalazłam coś takiego jak taśmy balkonowe jednak nie bardzo mam je do czego zaczepić – przegroda ma stalową ramę a środek wypełniony mleczną szybą. Może są jakieś firmy które zmodyfikują mi taką przegrodę? Poglądowe zdjęcie przegrody – u mnie szczeliny są znacznie większe:
×
×
  • Dodaj nową pozycję...