markowsski 13.10.2011 19:07 Zgłoś naruszenie Udostępnij Napisano 13 Października 2011 (edytowane) Hm, cos nie tak poszło - nie ma schematu Jest tutaj http://www.fotosik.pl/pokaz_obrazek/cec5763c5de268d9.html http://www.fotosik.pl/pokaz_obrazek/cec5763c5de268d9.html Co oznacza przekreślony czujnik temp.kotła?I co z grawitacją w trybie lato?jeśli woda grawitacyjnie idzie na grzejniki to czy daje rade dogrzać CWU?Te ósemki to zawory kulowe(różnicowe) czy zwrotne??? Miał jest całkiem suchy,mam jeszcze piec na miał ale muszę go moczyć... Edytowane 13 Października 2011 przez markowsski Odnośnik do komentarza https://forum.murator.pl/topic/155167-ogniwo-eko-plus/page/102/#findComment-4913172 Udostępnij na innych stronach Więcej opcji udostępniania
Andrzej-M 13.10.2011 19:56 Zgłoś naruszenie Udostępnij Napisano 13 Października 2011 A nie masz przypadkiem wyjętej szuflady z popielnika ? Bo widzę, że na razie nic się nie zmieniło - poza tym, że zadaną CO obniżyłeś, ale kociol nie może do niej nawet dotrzeć - gdzieś to ciepło ucieka, bo nie wierzę, że masz takie zapotrzebowanie... witam! a co ma do tego szuflada? zapotrzebowanie - 220 m2 powierzchni/2,65 wysokości piętrowy ściany pustak z tynkiem tradycyjnym+ 16 cm styropianu+akryl czyli k<0,20 na stropie 15 cm styropianu+ wylewka+ między krokwiami 6 cm wełny to też k<= 0,20 okna 5 komorowe z k=1,0 teoretycznie powinien wystarczyć eko 16 kw a mam eko24 i pale tylko i wyłącznie groszkiem z chwałowic i co tu jest grane !? Odnośnik do komentarza https://forum.murator.pl/topic/155167-ogniwo-eko-plus/page/102/#findComment-4913273 Udostępnij na innych stronach Więcej opcji udostępniania
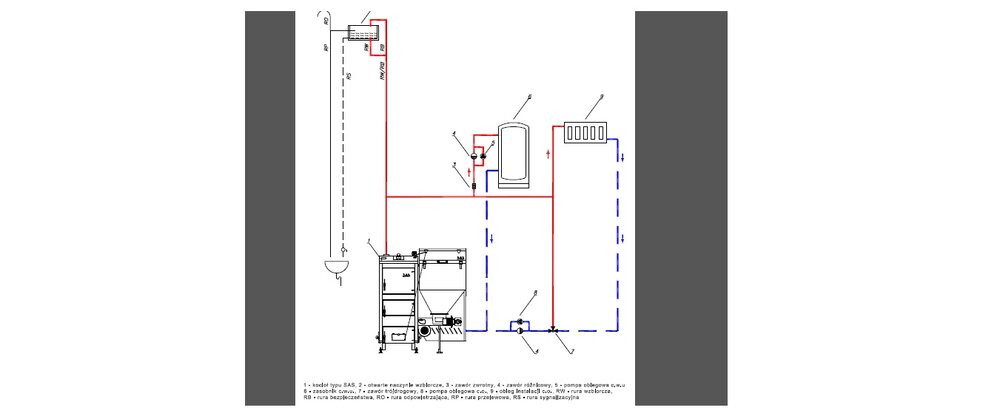
Marin75 13.10.2011 20:17 Zgłoś naruszenie Udostępnij Napisano 13 Października 2011 Co oznacza przekreślony czujnik temp.kotła?I co z grawitacją w trybie lato?jeśli woda grawitacyjnie idzie na grzejniki to czy daje rade dogrzać CWU?Te ósemki to zawory kulowe(różnicowe) czy zwrotne??? Miał jest całkiem suchy,mam jeszcze piec na miał ale muszę go moczyć... Oczywiście mam zainstalowane wszystkie czujniki dostarczone przez producenta, przkreśliłem, bo wyglądało na dodatkowe.Ale mam jeden dodatkowy montowany na rurze za pomką CO. Czujnik analogowy daje informację o aktualnej temp. w układzie CO. W trybie lato woda nie powinna za bardzo przechodzić grawitacyjnie, bo pompka jest pewnym oporem, powinien być zawór zwrotny sprężynkowy za pompką CO, ale instalator nie dał i jest jak jest. W razie czego można odłączyć całkiem układ CO poprzez skręcenie na 0 zaworu 4D. Ale generalnie jak załączy się pompka CWU to przeciąga wszystko do CWU i żadna grawitacja na CO Ci wtedy nie działa. Ósemki to zwykłe zwory kulowe. Przed pomkami powinny być jeszcze dorysowane filtry. Odnośnik do komentarza https://forum.murator.pl/topic/155167-ogniwo-eko-plus/page/102/#findComment-4913326 Udostępnij na innych stronach Więcej opcji udostępniania
Marin75 13.10.2011 20:20 Zgłoś naruszenie Udostępnij Napisano 13 Października 2011 witam! a co ma do tego szuflada? zapotrzebowanie - 220 m2 powierzchni/2,65 wysokości piętrowy ściany pustak z tynkiem tradycyjnym+ 16 cm styropianu+akryl czyli k<0,20 na stropie 15 cm styropianu+ wylewka+ między krokwiami 6 cm wełny to też k<= 0,20 okna 5 komorowe z k=1,0 teoretycznie powinien wystarczyć eko 16 kw a mam eko24 i pale tylko i wyłącznie groszkiem z chwałowic i co tu jest grane !? Nie odpowiedziałeś na pytanie. Masz wyjęta szufladę czy nie ? Odnośnik do komentarza https://forum.murator.pl/topic/155167-ogniwo-eko-plus/page/102/#findComment-4913330 Udostępnij na innych stronach Więcej opcji udostępniania
Andrzej-M 13.10.2011 20:26 Zgłoś naruszenie Udostępnij Napisano 13 Października 2011 Nie odpowiedziałeś na pytanie. Masz wyjęta szufladę czy nie ? nie jest w popielniku, wydaje mi się że to żart nie na miejscu Odnośnik do komentarza https://forum.murator.pl/topic/155167-ogniwo-eko-plus/page/102/#findComment-4913340 Udostępnij na innych stronach Więcej opcji udostępniania
Andrzej-M 13.10.2011 20:29 Zgłoś naruszenie Udostępnij Napisano 13 Października 2011 nie jest w popielniku, wydaje mi się że to żart nie na miejscu oczywiście jest na miejscu Odnośnik do komentarza https://forum.murator.pl/topic/155167-ogniwo-eko-plus/page/102/#findComment-4913347 Udostępnij na innych stronach Więcej opcji udostępniania
markowsski 13.10.2011 20:38 Zgłoś naruszenie Udostępnij Napisano 13 Października 2011 (edytowane) Oczywiście mam zainstalowane wszystkie czujniki dostarczone przez producenta, przkreśliłem, bo wyglądało na dodatkowe.Ale mam jeden dodatkowy montowany na rurze za pomką CO. Czujnik analogowy daje informację o aktualnej temp. w układzie CO. W trybie lato woda nie powinna za bardzo przechodzić grawitacyjnie, bo pompka jest pewnym oporem, powinien być zawór zwrotny sprężynkowy za pompką CO, ale instalator nie dał i jest jak jest. W razie czego można odłączyć całkiem układ CO poprzez skręcenie na 0 zaworu 4D. Ale generalnie jak załączy się pompka CWU to przeciąga wszystko do CWU i żadna grawitacja na CO Ci wtedy nie działa. Ósemki to zwykłe zwory kulowe. Przed pomkami powinny być jeszcze dorysowane filtry. Przeanalizowałem już z kolegą minertu(wielkie podzięki) schemat dla mego układu z zaworem 4D ale przeglądam sobie schemat ze strony pieców SAS z zaworem 3D którego jestem w posiadaniu zastanawiam się czy nie zrobić tego tak jak na schemacie poniżej.Nie chodzi o kasę na zawór 4D tylko o bardzo podobny układ instalacji jak mój.I jest tam zawór przed pompą CWU a nie za tak jak wszędzie piszą za pompą CWU i CO(minertu też mi tak rozrysował Schemat co prawda dotyczy kotłow na ekogroszek firmy SAS ale to chyba nie problem i jest aktualny dla OEP 25KW,Tylko czy w takim układzie nie trzeba by dołożyć zaworu zwrotnego gdzieś w układzie pompy CO by nie było grawitacji na grzejniki w trybie lato? Edytowane 13 Października 2011 przez markowsski Odnośnik do komentarza https://forum.murator.pl/topic/155167-ogniwo-eko-plus/page/102/#findComment-4913367 Udostępnij na innych stronach Więcej opcji udostępniania
Kid1 13.10.2011 21:42 Zgłoś naruszenie Udostępnij Napisano 13 Października 2011 Mój OEP 25 spalił przez 7 dni około 130 kg ekogroszku co daje blisko 18 kg na dobę - sporo ale dom nowy, nieocieplony, drzwi wejściowe mocno nieszczelne dodatkowo chodzi cały czas podłogówka więc tym wszystkim sobie to tłumaczę...teraz zmieniłem tryb temp. wewnętrznej z opcji pokojowa na "termostat" (przy pokojowej trzymał mi non stop temp. ok 23 stopni mimo, iż na noc miałem nastawione 19st) zobaczę czy to w jakiś sposób zmniejszy spalanie Odnośnik do komentarza https://forum.murator.pl/topic/155167-ogniwo-eko-plus/page/102/#findComment-4913496 Udostępnij na innych stronach Więcej opcji udostępniania
Andrzej-M 13.10.2011 21:45 Zgłoś naruszenie Udostępnij Napisano 13 Października 2011 Andrzej-M Sprawdziłeś dokładnie ciągi spalinowe? tak , przed chwilą sprawdziłem i doczyściłem wymiennik, w czasie tej czynności temp spalin spadła ale po włączeniu w tryb auto szybuje w górę i to niepotrzebnie bo wszystkie potrzeby ma załatwione.......... Odnośnik do komentarza https://forum.murator.pl/topic/155167-ogniwo-eko-plus/page/102/#findComment-4913501 Udostępnij na innych stronach Więcej opcji udostępniania
gremon 13.10.2011 21:45 Zgłoś naruszenie Udostępnij Napisano 13 Października 2011 Andrzej-M Sprawdziłeś dokładnie ciągi spalinowe? Ciekawe jak głęboko rura dymowa osadzona w kanale kominowym ? Odnośnik do komentarza https://forum.murator.pl/topic/155167-ogniwo-eko-plus/page/102/#findComment-4913503 Udostępnij na innych stronach Więcej opcji udostępniania
Marin75 13.10.2011 22:26 Zgłoś naruszenie Udostępnij Napisano 13 Października 2011 Przeanalizowałem już z kolegą minertu(wielkie podzięki) schemat dla mego układu z zaworem 4D ale przeglądam sobie schemat ze strony pieców SAS z zaworem 3D którego jestem w posiadaniu zastanawiam się czy nie zrobić tego tak jak na schemacie poniżej.Nie chodzi o kasę na zawór 4D tylko o bardzo podobny układ instalacji jak mój.I jest tam zawór przed pompą CWU a nie za tak jak wszędzie piszą za pompą CWU i CO(minertu też mi tak rozrysował Schemat co prawda dotyczy kotłow na ekogroszek firmy SAS ale to chyba nie problem i jest aktualny dla OEP 25KW,Tylko czy w takim układzie nie trzeba by dołożyć zaworu zwrotnego gdzieś w układzie pompy CO by nie było grawitacji na grzejniki w trybie lato? Rozumiem, że pisząc zawór przed pompą CWU miałeś na mysli zawór 3D przed pompą CO. U mnie zawór 4D jest właśnie przed pompą CO, która jest na zasilaniu. U Ciebie jest na powrocie. Jak ustawię zawór na "0", to mam CO odcięte od grzania. Co do zaworu zwrotnego, to powinieneś go wstawić za pompą CO (przed nie jest zalecane ze względu na zjawisko kawitacji - czy to jest b.groźne w układzie -nie wiem, nie jestem specjalistą w tej dziedzinie). Poza tym powinno być OK - ale oczywiście sprawdź to wszystko z instalatorem, bo nie widzimy Twojej kotłowni, a może być jakiś niuans i .. problem. Przy tym układzie pewne znaczenie mogą mieć różne przekroje rur, gdyby takie występowały. Odnośnik do komentarza https://forum.murator.pl/topic/155167-ogniwo-eko-plus/page/102/#findComment-4913536 Udostępnij na innych stronach Więcej opcji udostępniania
GMZ 14.10.2011 12:04 Zgłoś naruszenie Udostępnij Napisano 14 Października 2011 czy spalanie 25-26kg na dobę przy takich temp. to dużo? spójrzcie na moje wykresy https://esterownik.pl/sterownik/660 od wczoraj grzeję co i cwu cały czas wcześniej co załączałem tylko na noc. ogrzewane 140m2 25cm porotherm i 15cm styro, poddasze 25cm wełny, podłoga 10cm styro, dom nowy, groszek Jaret jaworznicki małokaloryczny (21). Odnośnik do komentarza https://forum.murator.pl/topic/155167-ogniwo-eko-plus/page/102/#findComment-4914241 Udostępnij na innych stronach Więcej opcji udostępniania
ozyrus 14.10.2011 12:21 Zgłoś naruszenie Udostępnij Napisano 14 Października 2011 czy spalanie 25-26kg na dobę przy takich temp. to dużo? spójrzcie na moje wykresy https://esterownik.pl/sterownik/660 od wczoraj grzeję co i cwu cały czas wcześniej co załączałem tylko na noc. ogrzewane 140m2 25cm porotherm i 15cm styro, poddasze 25cm wełny, podłoga 10cm styro, dom nowy, groszek Jaret jaworznicki małokaloryczny (21). Mi też kolego tyle brało na początku, a grzeję tylko CO, teraz po kilku dniach trochę spadło do około 20 kg, mam instalację grawitacyjną bez pompki CO Odnośnik do komentarza https://forum.murator.pl/topic/155167-ogniwo-eko-plus/page/102/#findComment-4914271 Udostępnij na innych stronach Więcej opcji udostępniania
sebsa 14.10.2011 12:46 Zgłoś naruszenie Udostępnij Napisano 14 Października 2011 Koledzy pisałem na innym wątku z Ecoalem. Spróbujcie pobawić się funkcją AutoLatoProg. U mnie piecyk chodzi tylko w nocy i to jeszcze z przerwami w dzień na podtrzymaniu, mam również grawitację w układzie więc grzejniki ciepła podłoga również. Żonie ciepło, więc trwam przy tych ustawieniach. Licznik czasu pracy podajnika oscyluje teraz w granicach 400-410 minut - to jest ok 100 kg groszku. Piec włączyłem 2 października. Mam do ogrzania ok 220 m2 na pewno starszej chałupy niż Wy tylko, że ocieplonej w tym roku 10cm styro.Sam mam 38kW smoka, który potrafił w ubiegłym roku spalić naprawdę kosmiczne ilości opału w zimniejsze dni Odnośnik do komentarza https://forum.murator.pl/topic/155167-ogniwo-eko-plus/page/102/#findComment-4914318 Udostępnij na innych stronach Więcej opcji udostępniania
ozyrus 14.10.2011 14:08 Zgłoś naruszenie Udostępnij Napisano 14 Października 2011 Koledzy pisałem na innym wątku z Ecoalem. Spróbujcie pobawić się funkcją AutoLatoProg. U mnie piecyk chodzi tylko w nocy i to jeszcze z przerwami w dzień na podtrzymaniu, mam również grawitację w układzie więc grzejniki ciepła podłoga również. Żonie ciepło, więc trwam przy tych ustawieniach. Licznik czasu pracy podajnika oscyluje teraz w granicach 400-410 minut - to jest ok 100 kg groszku. Piec włączyłem 2 października. Mam do ogrzania ok 220 m2 na pewno starszej chałupy niż Wy tylko, że ocieplonej w tym roku 10cm styro. Sam mam 38kW smoka, który potrafił w ubiegłym roku spalić naprawdę kosmiczne ilości opału w zimniejsze dni Opcję AutoLatoProg mam tylko w CWU a u mnie nie ma CWU tylko samo CO. Odnośnik do komentarza https://forum.murator.pl/topic/155167-ogniwo-eko-plus/page/102/#findComment-4914429 Udostępnij na innych stronach Więcej opcji udostępniania
chochla72 14.10.2011 14:54 Zgłoś naruszenie Udostępnij Napisano 14 Października 2011 czy spalanie 25-26kg na dobę przy takich temp. to dużo? spójrzcie na moje wykresy https://esterownik.pl/sterownik/660 od wczoraj grzeję co i cwu cały czas wcześniej co załączałem tylko na noc. ogrzewane 140m2 25cm porotherm i 15cm styro, poddasze 25cm wełny, podłoga 10cm styro, dom nowy, groszek Jaret jaworznicki małokaloryczny (21). Kolego, temperatura powrotu jest wyzsza niz temperatura wyjscia z kotla. Albo masz cos perpetum mobile (a nawet cos lepszego bo dostajesz wiecej energii niz dostarczasz) albo masz zle zainstalowane czujniki co moze oglupiac piec. (pisze moze bo nie wiem czy czujnik temperatury powrotu ma udzial w algorytmie spalania, to ktos z ES musi wyjasnic) To raz. Dwa to proponuje zainstalowac czujnik temperatury wewnetrznej i przelaczyc tryb regulatora wewnetrznego na pokojowy (tak sie bodajze nazywa sterewanie termometrem a nie termostatem) lub zaloz i/lub wyreguluj termostaty na grzejnikach, bo jesli przegrzewasz pomieszczenia to sie nie dziw, ze Ci tyle pali. W tej chwili piec po prostu stara sie permanentnie utrzymac temperature 42 stopni w ukladzie przy dzialajacej non stop pompie CO. Przez to, ze masz dziwne odczyty na powrocie ciezko jest stwierdzic ile ciepla uklad oddaje ale patrzac na wykresy spalin z dzisiaj jest tego troche bo piec grzeje 10 minut i na 10 minut idzie w odstawke. Za czesto jak dla mnie nawet jak na 21MJ przy tych temperaturach. (zakladajac oczywiscie, ze dom jest juz suchy i wygrzany) Opcję AutoLatoProg mam tylko w CWU a u mnie nie ma CWU tylko samo CO. Oj panowie panowie, czytac te instrukcje obslugi. Tam jest wszystko czarno na bialym napisane. Auto lato to tryb pieca a nie grzalki CWU. Polega na tym, ze piec wylacza pompe CO kiedy temperatura na zewnatrz przekroczy zadana albo tak wynika z tabeli dobowej. Chodzi o to, zeby nie grzac niepotrzebnie pomieszczen w cieplejsze dni. Czyli co? Oszczednosc bo cieplo nie idzie w komin a raczej w wyciag wentylacyjny. Nie wiem czy przy braku zasobnika CWU jest w ogole mozliwe wlaczenie trybu Lato bo zasobnik pracuje posrednio jako bufor zabezpieczajacy wode w ukladzie przed zagotowaniem. Tobie tryb lato nie pomoze, bo masz instalacje grawitacyjna ale tak gwoli wyjasnienia. Odnośnik do komentarza https://forum.murator.pl/topic/155167-ogniwo-eko-plus/page/102/#findComment-4914496 Udostępnij na innych stronach Więcej opcji udostępniania
waksio 14.10.2011 18:17 Zgłoś naruszenie Udostępnij Napisano 14 Października 2011 czy spalanie 25-26kg na dobę przy takich temp. to dużo? spójrzcie na moje wykresy https://esterownik.pl/sterownik/660 od wczoraj grzeję co i cwu cały czas wcześniej co załączałem tylko na noc. ogrzewane 140m2 25cm porotherm i 15cm styro, poddasze 25cm wełny, podłoga 10cm styro, dom nowy, groszek Jaret jaworznicki małokaloryczny (21). U mnie spalanie tez jest takie jak nie większe a wykresy spalin wygladają podobnie natomiast bardzo często uruchamia mi się podajnik. Wprawdzie po dwóch dniach przerwy kocioł uruchomiłem dopiero wczoraj wiec mam nadzieje ze to sie troche ustabilizuje ale tym spalaniem jestem przerażony Palę miałem ekofins mój sterownik: https://esterownik.pl/remote/625 Odnośnik do komentarza https://forum.murator.pl/topic/155167-ogniwo-eko-plus/page/102/#findComment-4914783 Udostępnij na innych stronach Więcej opcji udostępniania
sipus31 14.10.2011 19:41 Zgłoś naruszenie Udostępnij Napisano 14 Października 2011 No i wlasnie takie anonse odstraszaja potencjalnych kolejnych kupcow,moj nowo wybudowany dom jest identycznie ocieplony i ma ten sam metraz ale szczerze mowiac chcialbym aby piec ktory zakupie spalal duzo mniej wegla,tym bardziej ze przeciez mamy teraz dodatnie temp. Odnośnik do komentarza https://forum.murator.pl/topic/155167-ogniwo-eko-plus/page/102/#findComment-4915026 Udostępnij na innych stronach Więcej opcji udostępniania
tom111 14.10.2011 19:47 Zgłoś naruszenie Udostępnij Napisano 14 Października 2011 Po raz drugi rozpaliłem dzisiaj w kotle eko plus 25 i znów pełno wody (czarnej jak smoła) na podłodze. Czy to jest normalne ? mam wiele pytań ale na razie muszę sam opanować bo instalator stwierdził że tego sterownika to on nie zna i muszę sobie radzić. Czy palenie awaryjne drewnem można bez przeszkód kontynuować, czy to rzeczywiście tylko awaryjnie ? Czy można i jak wyłączyć pompę CWU w trybie automatycznym ? Będę wdzięczny za wszystkie podpowiedzi. Przez 34 lata byłem użytkownikiem jednego kotła firmy Ogniwo i pracował bezawaryjnie (oczywiście typowy śmieciuch) dlatego zdecydowałem się na zakup ich pieca. Mam nadzieję że poradzę sobie z obsługą tego nowego na ekogroszek. Pozdrawiam wszystkich forumowiczów. Odnośnik do komentarza https://forum.murator.pl/topic/155167-ogniwo-eko-plus/page/102/#findComment-4915050 Udostępnij na innych stronach Więcej opcji udostępniania
waksio 14.10.2011 20:03 Zgłoś naruszenie Udostępnij Napisano 14 Października 2011 No i wlasnie takie anonse odstraszaja potencjalnych kolejnych kupcow,moj nowo wybudowany dom jest identycznie ocieplony i ma ten sam metraz ale szczerze mowiac chcialbym aby piec ktory zakupie spalal duzo mniej wegla,tym bardziej ze przeciez mamy teraz dodatnie temp. Nie jest moim zamiarem nikogo odstraszac od tego kotla, dziele sie jedynie moimi spostrzezeniami i mam nadzieje ze dzieki miedzy innymi wam znajde odpowiedzi na niektore pytania. Mało tego jestem przekonany ze bede z kotła jeszcze bardzo zadowolony a teraz jest to kwestia tzw dotarcia, ustawien itp Odnośnik do komentarza https://forum.murator.pl/topic/155167-ogniwo-eko-plus/page/102/#findComment-4915098 Udostępnij na innych stronach Więcej opcji udostępniania
Recommended Posts
Jeśli chcesz dodać odpowiedź, zaloguj się lub zarejestruj nowe konto
Jedynie zarejestrowani użytkownicy mogą komentować zawartość tej strony.
Zarejestruj nowe konto
Załóż nowe konto. To bardzo proste!
Zarejestruj sięZaloguj się
Posiadasz już konto? Zaloguj się poniżej.
Zaloguj się