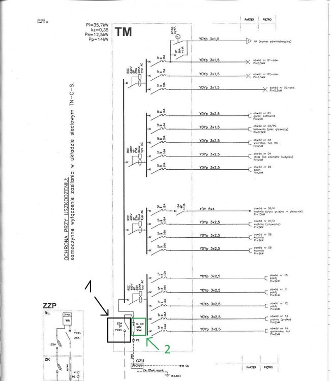
radk 03.10.2014 13:21 Zgłoś naruszenie Udostępnij Napisano 3 Października 2014 Czy dobrze rozumiem że numer 1 bedący na czarno na projekcie instalacji to np. http://elektro-hurt.com/opis/id,5113512/from,ceneo/?ceneo_spo=true A numer 2 który jest na zielono to np. http://elektro-hurt.com/opis/4260249/eaton-moeller-ochronnik-ogranicznik-przepiec-klasa-bc-spb-122804-158331.html Cytuj Odnośnik do komentarza https://forum.murator.pl/topic/194048-pomoc-przy-czytaniu-projektu/ Udostępnij na innych stronach Więcej opcji udostępniania
krzcel 03.10.2014 13:25 Zgłoś naruszenie Udostępnij Napisano 3 Października 2014 Tak Cytuj Odnośnik do komentarza https://forum.murator.pl/topic/194048-pomoc-przy-czytaniu-projektu/#findComment-6595517 Udostępnij na innych stronach Więcej opcji udostępniania
radk 03.10.2014 13:29 Autor Zgłoś naruszenie Udostępnij Napisano 3 Października 2014 Dziekie ale mam jeszcze pytanie apropo 1 Czy musi być tak jak w projekcie 40A czy może być wieksza wartość np 63A lub 100A Cytuj Odnośnik do komentarza https://forum.murator.pl/topic/194048-pomoc-przy-czytaniu-projektu/#findComment-6595520 Udostępnij na innych stronach Więcej opcji udostępniania
marcin2303 03.10.2014 18:13 Zgłoś naruszenie Udostępnij Napisano 3 Października 2014 W projekcie widzę, że jest 25A. Nie można dobrowolnie zmieniać zabezpieczenia. Zabezpieczenie nie może być większe niż jest przed licznikiem Cytuj Odnośnik do komentarza https://forum.murator.pl/topic/194048-pomoc-przy-czytaniu-projektu/#findComment-6595711 Udostępnij na innych stronach Więcej opcji udostępniania
kkas12 04.10.2014 08:25 Zgłoś naruszenie Udostępnij Napisano 4 Października 2014 (edytowane) W projekcie widzę, że jest 25A. Nie można dobrowolnie zmieniać zabezpieczenia. Zabezpieczenie nie może być większe niż jest przed licznikiemBzdura. To nie jest żadne zabezpieczenie lecz rozłącznik o obciążalności styków 25A. Więc zastosowanie aparatu o większym prądzie znamionowym jest jak najbardziej możliwe a nawet wskazane. Proponuję zmodyfikować projekt wyrzucając czterotorowe wyłączniki RCD chroniące jednofazowe obwody zasilane z różnych faz gdyż mogę okazać się one zabójcze dla odbiorników. A także dostosować go do minimalnych wymogów normy 4-41. Edytowane 4 Października 2014 przez kkas12 Cytuj Odnośnik do komentarza https://forum.murator.pl/topic/194048-pomoc-przy-czytaniu-projektu/#findComment-6596177 Udostępnij na innych stronach Więcej opcji udostępniania
elpapiotr 04.10.2014 12:54 Zgłoś naruszenie Udostępnij Napisano 4 Października 2014 Bzdura. To nie jest żadne zabezpieczenie lecz rozłącznik o obciążalności styków 25A. Więc zastosowanie aparatu o większym prądzie znamionowym jest jak najbardziej możliwe a nawet wskazane. Proponuję zmodyfikować projekt wyrzucając czterotorowe wyłączniki RCD chroniące jednofazowe obwody zasilane z różnych faz gdyż mogę okazać się one zabójcze dla odbiorników. A także dostosować go do minimalnych wymogów normy 4-41. Również pomyśleć nad zmianą zabezpieczenia dla obwodów oświetleniowych, bo ciemność niespodziewana Cię czeka. Cytuj Odnośnik do komentarza https://forum.murator.pl/topic/194048-pomoc-przy-czytaniu-projektu/#findComment-6596328 Udostępnij na innych stronach Więcej opcji udostępniania
radk 06.10.2014 06:28 Autor Zgłoś naruszenie Udostępnij Napisano 6 Października 2014 Ok co do róznicówek to zastosuje wszędzie czterotorowe, na wszystkich obwodach. Myślicie że 3 róznicówki wystarczą??no i proszę jeszcze o info czy te elementy bedą dobre bo ochronnik wybrałem takihttp://allegro.pl/show_item.php?item=4671007714no a rozłącznikhttp://elektrocave.pl/pl/p/EATON-Rozlacznik-Izolacyjny-IS-1004/3765 Cytuj Odnośnik do komentarza https://forum.murator.pl/topic/194048-pomoc-przy-czytaniu-projektu/#findComment-6597773 Udostępnij na innych stronach Więcej opcji udostępniania
elpapiotr 06.10.2014 07:16 Zgłoś naruszenie Udostępnij Napisano 6 Października 2014 (edytowane) A on dalej swoje. Nic nie zrozumiał, ale nie będąc elektrykiem nie musiał.Natomiast ochoczo bierze się za instalację. Zgroza. Edytowane 6 Października 2014 przez elpapiotr Cytuj Odnośnik do komentarza https://forum.murator.pl/topic/194048-pomoc-przy-czytaniu-projektu/#findComment-6597810 Udostępnij na innych stronach Więcej opcji udostępniania
irqul 06.10.2014 07:30 Zgłoś naruszenie Udostępnij Napisano 6 Października 2014 (edytowane) Ok co do róznicówek to zastosuje wszędzie czterotorowe, na wszystkich obwodach. Myślicie że 3 róznicówki wystarczą?? no i proszę jeszcze o info czy te elementy bedą dobre ...] Nie! 1. Rozłącznik 3-torowy, tak jak w projekcie. Rozłączanie toru N w tej instalacji to dodatkowe ryzyko poważnej awarii. 2. Czterotorowe różnicówki- patrz wyżej. Można 4torową zastosować do obwodu 3fazowego (kuchenki) i dwutorowe do obwodów jednofazowych. 3. Oświetlenie na jednej różnicówce? - W przypadku awarii, na jednym z obwodów, nie ma światła w całym domu. Edytowane 6 Października 2014 przez irqul Cytuj Odnośnik do komentarza https://forum.murator.pl/topic/194048-pomoc-przy-czytaniu-projektu/#findComment-6597831 Udostępnij na innych stronach Więcej opcji udostępniania
radk 06.10.2014 08:30 Autor Zgłoś naruszenie Udostępnij Napisano 6 Października 2014 Ok rozłącznik 3 torowy a ogranicznik ok? Cytuj Odnośnik do komentarza https://forum.murator.pl/topic/194048-pomoc-przy-czytaniu-projektu/#findComment-6597915 Udostępnij na innych stronach Więcej opcji udostępniania
irqul 06.10.2014 12:50 Zgłoś naruszenie Udostępnij Napisano 6 Października 2014 Czasem ( TNC-S, punkt rozdziału PEN w tej samej rozdzielnicy co ochronniki, uziom blisko) nie ma sensu i potrzeby podłączanie czwartego ochronnika do toru N. To nie stwarza zagrożenia, tylko jest nieekonomiczne. Poza tym OK. Cytuj Odnośnik do komentarza https://forum.murator.pl/topic/194048-pomoc-przy-czytaniu-projektu/#findComment-6598264 Udostępnij na innych stronach Więcej opcji udostępniania
hokejgk1 07.10.2014 05:55 Zgłoś naruszenie Udostępnij Napisano 7 Października 2014 Czy konieczne jest stosowanie RDC na oświetlenie ??? Cytuj Odnośnik do komentarza https://forum.murator.pl/topic/194048-pomoc-przy-czytaniu-projektu/#findComment-6598786 Udostępnij na innych stronach Więcej opcji udostępniania
Recommended Posts
Dołącz do dyskusji
Możesz dodać zawartość już teraz a zarejestrować się później. Jeśli posiadasz już konto, zaloguj się aby dodać zawartość za jego pomocą.