DomPrzyKalinowej
Banned Users-
Liczba zawartości
136 -
Rejestracja
-
Ostatnia wizyta
Typ zawartości
Profile
Forum
Artykuły
Blogi
Pobrane
Sklep
Wydarzenia
Galeria
Zawartość dodana przez DomPrzyKalinowej
-
Firma CNC MAREK JANKOWSKI jest dystrybutorem takich marek jak: PANASONIC MITSUBISHI DAIKIN TOSHIBA LG MEETING MIDEA i inne oferujemy najniższe ceny na pompy ciepła w hurcie oraz z montażem. Nasze instalacje można zobaczyć na FB: https://www.facebook.com/PompyMeeting a ofertę dopasowaną do klienta najlepiej zapytać pod numerem telefonu: 516 425 266 Pozdrawiam / Best Regards, CNC Marek Jankowski Semlin 62 83-206 Kleszczewo nip: PL 5922080435 tel. +48 516 425 266 e-mail: [email protected] http://www.pompymeeting.pl
-
Chciałbym przedstawić to co uważam za najważniejsze przy wyborze ogrzewania do budynku, krótko zwięźle bez specjalnego rozpisywania się szanując czas wszystkich nas. Innych użytkowników forum, instalatorów, doradców itd. itp. proszę o nie komentowanie w stylu: ja mam inaczej, ale to bez nadzieja, źle bo u mnie podłączyli inaczej i działa. Tak się nie robi. itp. itd. Jak napisałem wcześniej są to moje doświadczenia i nie ma być to kolejny temat który ma posłużyć do obrzucania się swoimi pomysłami i krytykowaniem innych. Jak zaznaczyłem są to moje doświadczenia. A wiec jeżeli myślisz o nabyciu pompy ciepła musisz wziąć pod uwagę, następujące kwestie: Po pierwsze Trzeba stwierdzić czy nasz budynek nadaje się do współpracy z PC. Jeżeli jest to nowy budynek to sprawa jest prosta bo musi być przystosowany do ogrzewania niskotemperaturowego, czyli odbiorniki ciepła(grzejniki, podłogówka) muszą działać jak na dworze jest -20st.C z wodą w układzie do 40st.C. Takie warunki zapewnią nam ekonomiczną pracę pompy ciepła. Jeżeli mamy instalacje w budynku nowym lub modernizowanym która wymaga temperatury np. 55st.C w układzie grzewczym to nasza pompa ciepła będzie działać prawie 2x drożej niż w przypadku instalacji niskotemperaturowej. To ważna kwestia jeżeli ktoś liczy na bardzo niskie koszty ogrzewania a nie ma podłogówki lub grzejników niskotemperaturowych. Jeżeli nasza instalacja wymaga wody w układzie więcej niż 60st.C to bez jej gruntownego remontu się nie da prawidłowo i wydajnie użytkować pompy ciepła. Po drugie. Musimy wybrać typ pompy ciepła który odpowiada naszym wymaganiom. Są dwa podstawowe typy pompy ciepła. Gruntowe - biorące ciepło z odwiertów pionowych lub kolektorów poziomych. Powietrzne-Woda - te biorą ciepło z powietrzna atmosferycznego, która ma nawet -20st.C Gruntowe pompy ciepła ze względu na ich ekonomiczne uzasadnienie w nowo budowanych budynkach są już bardzo mało popularne. Jako przykład podam sytuację z domem 120m2, i zapotrzebowaniem 7kW Pompa ciepła typu gruntowego może ogrzać taki budynek za około 1300zł / rocznie (C.O. + C.W.U) z COP około 4,2. Pompa powietrze woda ogrzeje taki budynek drożej bo jej COP średnio roczne wyniesie około 3,2 czyli około 25% mniej koszt ogrzewania w takim wypadku to 1625zł. Różnica w kosztach rocznej eksploatacji to 325zł. I teraz do tego musimy przyłożyć koszty związane z montażem PC gruntowej i powietrznej. Gruntówka będzie droższa w instalacji o około 10 000zł. A skoro rocznie oszczędzamy 325zł to koszty związane z pompą gruntową zwrócą nam się po 30latach. A po takim czasie ta pompa już dawno będzie nie działać. A trzeba pamiętać że zaczęła by zarabiać względem powietrznej dopiero w 31 roku eksploatacji. Oczywiście są rejony gdzie pompa powietrze woda będzie miała większą różnicę w kosztach eksploatacji, ale itak w najlepszym razie okres amortyzacji to 20LAT, a to stanowczo za długo. Dlatego właśnie najlepszym rozwiązaniem(dla znaczniej większości budynków) w naszym klimacie są dobrze dobrane do budynku pompy powietrze woda. I na nich chciałbym się skupić. Po trzecie Jak już wiemy jaki typ pompy ciepła najbardziej odpowiada naszym wymaganiom możemy dostosować budynek do urządzenia. W starszych budynkach gdzie mamy już jakieś ogrzewanie, możemy zastanowić się czy obecny system ogrzewania chcemy zostawić czy wyrzucić. Jeżeli mamy np. piec na eko groszek, co jest bardzo częste lub kominek z płaszczem wodny, i jest to w dobrym stanie a chcemy zaoszczędzić trochę grosza. Można wtedy zostawić te systemy grzewcze i spiąć to razem z pompą ciepła, tak by np. gdy temperatury są bardzo niskie wspomóc się systemem starego ogrzewania. Robi się to wtedy tak że spinamy wszystko pod bufor/sprzęgło hydrauliczne tak by gdy napalimy w piecu/kominku pompa nie pracowała. A gdy ogień zgaśnie pompa uruchamia się natychmiast. (jest to opis mocno w skrócie). Dzięki takiemu rozwiązaniu możemy np. kupić pompę 7kW zamiast 12kW co będzie sporo tańsze a część oszczędności z zakupu mniejszej pompy przeznaczymy na dołączenie pieca do pompy a itak spora część zostaje nam w kieszeni. Jak tak dobrze dobierze się układ to mamy spokój z używaniem kotła/kominka przez 11 miesięcy w roku. W nowych budynkach Tutaj musimy zobaczyć na jakim etapie jest budowa, jeżeli jest to jeszcze projekt to pierwsze co trzeba zrobić to wywalić komin dymny z projektu(zaoszczędzimy 5000-7000tyś zł) a następnie zastanowić się czy jeżeli są drzwi w projekcie do kotłowni to czy są one potrzebne(to kolejne 3000zł) które można zaoszczędzić. Czasem jest tak że jak klient wywali z projektu komin i drzwi a miał w planach drogi piec to taniej wyjdzie mu założyć pompę ciepła niż ten piec. Kolejną sprawą jest dobór odpowiedniej grubości styropianu na podłogę, w związku z tym że najczęściej będziemy grzać podłogą i nie chcemy by ciepło uciekało nam w ziemię ważna kwestią jest odpowiedni styropian na podłogę, im więcej izolacji tym lepiej. Następny temat to zaplanowanie czym będziemy grzać, najkorzystniej jest dobrze zrobić podłogówkę.(dobrze czyli tak by maksymalna temperatura w nią puszczana to było 35st.C). Często można usłyszeć od starych hydraulików, na dole podłogówka a w sypialni kaloryfery!! Zastrzelić takiego!!! Taki sposób projektowania wziął się stąd że kiedyś puszczało się w podłogówkę 45-nawet 50st.C i wtedy faktycznie spać się nie dało przy tak nagrzanej podłodze. Teraz robi się to zupełnie inaczej dlatego można spokojnie położyć podłogówkę wszędzie!!! Można ominąć tylko np. szafki na produkty spożywcze, by nam się ziemniaki nie grzały. Po czwarte Jak już wiemy czym i jak będziemy grzali, możemy dobrać moc urządzenia do naszych wymagań. W starszych budynkach ciężko dokładnie oszacować zapotrzebowanie na ciepło a wykonywanie tego za pomocą szybkich kalkulatorów dostępnych w internecie często kończy się pomyłką, i albo za małym urządzeniem albo za dużym za drogim które się nie opłaca. Tutaj proponuję zostawić to fachowcowi, ponieważ nasz brak doświadczenia, i próba zadecydowania samemu może nas słono kosztować. Ale żeby trochę Wam naświetlić potrzebne moce można przyjąć bardzo ogólnie że 10letni budynek zaizolowany z reguły 10cm styropianu, 15 cm wełny to około 75-80W/m2 tj. 100m2 budynku około 7,5-8kW przy -20st.C starsze budynki bez izolacji lub, np. cegła wełna 5 cm cegła to jakieś 90-120W/m2 czyli na taki budynek 100m2 potrzebujemy nawet 12kW przy -20st.C W nowych budynkach przyjmuje się z reguły około 50W/m2 dla budynków z izolacją 15cm styropianu, 25cm wełny na dachu i 15cm styropianu w podłodze. oczywiście są lepiej i wykonane budynki ale rzadko gorzej. Tutaj najbardziej typowy budynek 120m2 będzie potrzebował przy temperaturze zewnętrznej -20st.C 6,5kW + około 1kW na potrzeby podgrzewania wody użytkowej. I teraz możemy do takiego budynku dobrać pompę która do temperatury -15st. C będzie grzała go bez wspomagania elektrycznego, a gdy temperatura będzie -20st.C pompa POWINNA już wspomagać się elektrycznie, jeżeli jest -20st.C a pompa miała by działać bez wspomagania to jest to urządzenie przewymiarowane i często przepłacone. Ważną kwestią jest to iż wydajność PC jest podawana w kW ale przy temperaturze zewnętrznej na poziomie +2st.C, lub +7st.C, lub +20st.C, takie urządzenia przy temperaturach ujemnych tracą wydajność. W zależności jakiego typu weźmiemy urządzenie taki spadek mocy będziemy mieli. Najważniejsze jest to by dobrać urządzenie które zaspokoi zapotrzebowanie budynku przy -20st.C. Dobrze jest to też zostawić fachowcowi by zrobił to trafnie, nie narażając nas na zbyt duże i drogie urządzenie które nie jest nam potrzebne. Kolejna sprawa to projekt/szkic instalacji-kotłowni, ogólnie najlepiej podać swojej wymaganie firmie która będzie wykonywała podłączenie. Sposobów na montaż jest na prawdę, sporo, np. z glikolem, z wodą, z buforem, bez bufora, ze sprzęgłem, z możliwym chłodzeniem, tylko ogrzewanie, c CWU, bez CWU. Rozpisywanie tego to ogromny referat którego nie ma sensu opisywać bo potrzeby każdego użytkownika bywają czasem bardzo mocno indywidualne. Proszę abyście ważne dla Was pytania kierowali do mnie na PRIV bądź wpisując je poniżej tego wątku, będę starał się odpowiadać edytując powyższy wątek, by ktoś kto będzie szukał odpowiedzi nie musiał szukać czytając wszystkie wątki. Osoby którym ten mój opis wydał się przydatny proszę o wpisanie np. "przydało się" poniżej to pozwoli go utrzymać wysoko by każdy trafiający na to forum nie musiał przechodzić przez godziny czytania w szukaniu odpowiedzi.
- 8 odpowiedzi
-
- doświadczenia
- moja
-
(i 3 więcej)
Oznaczone tagami:
-
Są tacy co punktują że PC powinna mieć bufor i tacy że nie, a teraz jeszcze to pomnóżmy przez ilość wykonanych instalacji przez piszące tu osoby. Ja jestem za buforem w dużej części przypadków, nie analizuję konkretnie jakiegoś bo takich jest od cholery możliwości. mkmsilesia instaluje PC i ma doświadczenie wynikająće z jego układów. ja też instaluję i tak samo wiem że praca jest zdrowsza w wielu przypadkach z buforem, Proszę teraz o odpowiedź osoby które podłączyły więcej niż trzy PC inwerterowe powietrze woda. Taka mała narada instaltorów, nie chce sie wykłucać, z kimś kto nie ma bufora walnie teraz o tym 10 -20 postów, i pewnie będzie miał rację, BO W JEGO INSTALACJI BUFORA BYĆ NIE MUSI, ale zrozumieć nie może że to nie reguła. Tylko konkretny przypadek. Kolejny temat to bufor z podłogą i instalacją sterowaną pomieszczeniami, zamknięte 90% powierzchni a pompa odlodzić się nie może.
- 20 628 odpowiedzi
-
- aquarea
- czujnik pokojowy panasonic
-
(i 1 więcej)
Oznaczone tagami:
-
Pompy On/OFF bez bufora to mega ryzykowny temat tym bardziej na grzejnikach. Pompy tego typu nie zwalniają, i np. jak pozamykają Ci się termostaty na prawie wszystkich grzejnikach to pomp będzie taktować, do tego ważna jest moc pompy a tego nie podałeś. Kolejny problem to odmrażanie, jak masz on/off i będziesz odmrażał pompę a grzejniki będą pozamykane to się nie odmrozi. Wywali błąd niskiego ciśnienia i się wyłączy. podaj moc pompy i czy masz termostaty czy nie, do tego ilość grzejników i ich typ.
- 20 628 odpowiedzi
-
- aquarea
- czujnik pokojowy panasonic
-
(i 1 więcej)
Oznaczone tagami:
-
Panowie nie zaczynajcie znów.... to już było....
- 20 628 odpowiedzi
-
- aquarea
- czujnik pokojowy panasonic
-
(i 1 więcej)
Oznaczone tagami:
-
śrubunki calowe ale średnica wewnętrzna 3/4"(DN20), ale spoko to jakiegoś wielkiego znaczenia nie ma.
- 20 628 odpowiedzi
-
- aquarea
- czujnik pokojowy panasonic
-
(i 1 więcej)
Oznaczone tagami:
-
1500zł więcej, a jaki komfort, a to co najbardziej mnie cieszy to jak mam spokój. Ja i inwestor, bo instalacja na zasadzie a może pójdzie, a jak nie to się zobaczy to nie na dłuższą metę.
- 20 628 odpowiedzi
-
- aquarea
- czujnik pokojowy panasonic
-
(i 1 więcej)
Oznaczone tagami:
-
- 20 628 odpowiedzi
-
- aquarea
- czujnik pokojowy panasonic
-
(i 1 więcej)
Oznaczone tagami:
-
Ciepłomierz jest 3/4" to też trochę tłumi, fabrycznie wyjście z pompy jest 5/4....
- 20 628 odpowiedzi
-
- aquarea
- czujnik pokojowy panasonic
-
(i 1 więcej)
Oznaczone tagami:
-
No delty było 40 st. C na jednej sprężarce a tam są dwie, jak druga się dołączyła ..... OGIEŃ
- 20 628 odpowiedzi
-
- aquarea
- czujnik pokojowy panasonic
-
(i 1 więcej)
Oznaczone tagami:
-
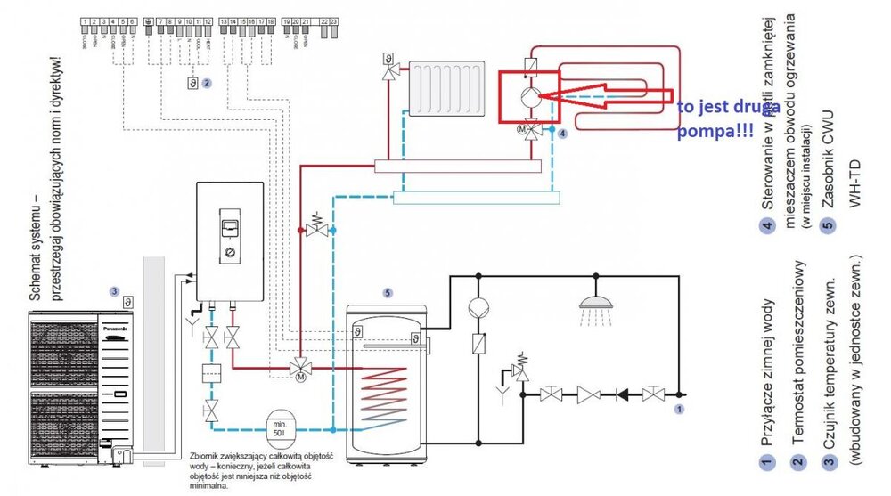
Tak żartobliwie odnośnie łączenia dwóch pomp. Klient miał jedną OHI/OBI 240W, ale okazało się że nie dawała rady(pompa 36kW) Dołożył drugą i podpiął jak na obrazku. Ale problem był inny, wyjścia w pompie 5/4, wejścia w buforze 6/4 a pod niebieską otuliną PEX 25......
- 20 628 odpowiedzi
-
- aquarea
- czujnik pokojowy panasonic
-
(i 1 więcej)
Oznaczone tagami:
-
EEE tam najlepsze to są te kolektorki co działają w dzień i w nocy bo biorą ciepło z ciemnej materii, to podobno Stephen Hawking wymyślił.
-
A jednak czasem się z Tobą zgodzę.
- 20 628 odpowiedzi
-
- aquarea
- czujnik pokojowy panasonic
-
(i 1 więcej)
Oznaczone tagami:
-
Przeczytaj, napisałem że też robię bez bufora maluchy, ale tylko jak to się opłaca, nie ma miejsca itd. Jak jest to uzasadnione i wiem że będzie działać. Jak mam wątpliwości, to wiem że możemy albo na krótko podpiąć układ do podłogówki i sprawdzić jak będzie. Poczytaj, komentarze było kilka osób które mają odemnie PC i pisały że np. Chińczyk działa dobrze. Co do Panasoników to są to klienci którzy chcą mega prostoty i raczej nie są fascynatami PC bo dla nich to ma po prostu działać. Tak samo jak ludzie już nie piszą że jak to super gdy woda leci z kranu, tak samo niektórzy się nie podniecają że mają ciepło w domu. Forum muratora odnośnie PC to zlot entuzjastów, którzy lubią tą tematykę a takich w 40 milionowym kraju jest też niewielu. mam FB gdzie możesz sobie zobaczyć niektóre z moich instalacji, mógłbym podać ale pewnie zaraz będzie jakiś ban albo coś, jak chcesz to dam Ci na priv. Tam są jakieś opinie, polubienia, ale nie o to chodzi. Chodzi o to że nie ma negatywnych opinii od moich klientów. Oferta którą prezentuję nie zawsze jest najtańsza, robimy tak żeby nie mieć zimą telefonów że zimno. Teraz jak było zimno miałem chyba tylko 4 podjazdy gdzie były problemy, w żadnym z wypadków nie była to wina sprzętu, lub źle dobranej instalacji. Były to 1. ZIMNO zapchany filtr, zapowietrzona instalacja - dziś 2. ZIMNO Pomylona jednostka Panasonic - wysłano mi J.WEW od SXC a agregat SDC - wymiana na koszt panasonic - wyjazd wczoraj 3. ZIMNO brak prądu w gniazdku jak włączyły się grzałki w pompie - 4.01 4. ZIMNO brak, ciśnienia, wody, toś sobie zakręcił odpwietrznik - między świętami A wszystkie te telefony zaczęły się od słowa, zimno, ale problemy były nieznaczne(poza wymianą jednostki Panasa), nigdy nie stanąłem przed problemem że popa nie daje rady i teraz trzeba wymienić na inną, bo to jest tragedia, a wiec ten sezon ogólnie bardzo udany.
- 20 628 odpowiedzi
-
- aquarea
- czujnik pokojowy panasonic
-
(i 1 więcej)
Oznaczone tagami:
-
a co do domów pasywnych to jak powinna byc rozlozona podloga znajduje sie w tabelach kan-therm ktore wczesniej wkleiłem. wyjdzie pewnie co 35cm. i prawidlowa ilosc rury bedzie zalezec od konkretnych pomieszczen bo jak robisz dom 500 m2 to itak zrobisz projekt podlogowki.
- 20 628 odpowiedzi
-
- aquarea
- czujnik pokojowy panasonic
-
(i 1 więcej)
Oznaczone tagami:
-
to nie chodzi o to żeby się kłócić ale jak ktoś mówi ze ma przepływ ok, a nie wie jaki powinien byc i upiera sie ze to inni się nie znają to jak rozmawiać. od dawna twierdzę ze podpinanie domów na obiegowce z pompy to przestępstwo. czasem sam to robię ale tylko jak zmierzę przeplyw i jest ok. ale to są sporadyczne wypadki. żeby się wykłucać trzeba mieć jakąś kolwiek wiedzę i to nie zdobytą na krzesełku w kotłowni przed pompą ciepła grając w karty i licząc starty sprężarki. a 5l/min to jest kapanie w porównaniu z tym jaki przeplyw powinien byc w 9kW
- 20 628 odpowiedzi
-
- aquarea
- czujnik pokojowy panasonic
-
(i 1 więcej)
Oznaczone tagami:
-
podstawcie sobie do wzoru Wasz przepływ na pompce obiegowej jak macie do jej podpięte całą chałupę i wyjdzie Wam ile mocy mozecie maksymalnie na Panasie uzyskać. UWAGA to się tyczy tylko tych pomp które mają priorytet delty. Nie tyczy się np. Zubadanów.
- 20 628 odpowiedzi
-
- aquarea
- czujnik pokojowy panasonic
-
(i 1 więcej)
Oznaczone tagami:
-
Wzór rozpisany P - moc Q - przepłwy w m3/h dt - delta wejście wyjście skraplacza 1,163 - stała wartość dla H2O, nie dotyczy glikolu, alkoholu itd.
- 20 628 odpowiedzi
-
- aquarea
- czujnik pokojowy panasonic
-
(i 1 więcej)
Oznaczone tagami:
-
Obrzucać to Ty lubisz bałaganem wyssanym z Palca. Poszedłem i wyciągnąłem z magazynu nowego T-CAP 16kW a tu z czujnika: Mam jeszcze SDC 9kW ale już nie będę wyciągał bo mi się nie chce przez tą głupotę w sobotę robić. I dla wg. instrukcji Panasonic 5kW minimalny przepływ to 5L/min!!!! a to jest kur.... KAPANIE!!! i teraz tak dla 12kW i delty 5st. przepłwy optymalny 2,15m3/h minimalny 19L/min 9kW i delty 5st. przepływ optymalny 1,612m3/h minimalny 10L/min 7kW i delty 5st. przepływ optymalny 1,254m3/h minimalny 10L/min Co do doświadczenia to średnio 1-2 Panasy na miesiąc zakładam, a innych pomp od ch..... I nie ucz mnie o tym jak wygląda czujnik przepływu bo innego typu mam na mgazynie jakieś 15 sztuk. Jeszcze jakieś pytania odnośnie przepływu? A dla Ciebie polecam: http://sankom.pl/online/sankom/kkt/kan/pl/opory/ http://pl.kan-therm.com/download/poradniki.html trochę naprawdę przydatnej wiedzy. Proszę nie podważać mojego doświadczenia, oraz posiadanej wiedzy. NA pewno nie będę przyjmował takich uwag od osób które mają kurde. krzesełko w swojej kotłowni, siedzą przy pompie, liczą starty i patrzą w licznik. I takie mają hobby. To jest moja praca już ładnych Parę lat i swoje widziałem i trochę wiem.
- 20 628 odpowiedzi
-
- aquarea
- czujnik pokojowy panasonic
-
(i 1 więcej)
Oznaczone tagami:
-
No teraz mnie zabiłeś. stwierdziles ze czujnik jest czuly bo zadzialal. super badanie. a czujnik widzi przeplyw nawet 0,25m3/h. poszukaj zanim glupoty ! bedziesz wypisywał.
- 20 628 odpowiedzi
-
- aquarea
- czujnik pokojowy panasonic
-
(i 1 więcej)
Oznaczone tagami:
-
Ten czujnik jest made in Germany, jest mega czuły i jak woda prawie "kapie" to on wykazuje przepływ. Poważnie, Tak samo jest z czujnikiem niskiego ciśnienia - chłodniczego, miałem kiedyś w instalacji na ssaniu 0,25BAR a ona jeszcze nie wyrzuciła niskiego ciśnienia, cholera wie może dopiero na Vacum wywala
- 20 628 odpowiedzi
-
- aquarea
- czujnik pokojowy panasonic
-
(i 1 więcej)
Oznaczone tagami:
-
Widzę że się nie dogadamy, 4000m rury to 400litrów wody, a Ty chcesz to pchać pompką 70Wat i jeszcze ma[moderowano] 1,5m3/h To jak by Fiata 126p podczepić wagon kolejowy i powiedzieć że pojedzie 90km/h bo są tylko opory toczenia i powietrza a nie ma pod górkę. Tu nie ma co liczyć tylko użyć trochę wyobraźni. schizo85 piszesz że takich sytacji jest 80-90%, ale niestety znacznie więcej. Tylko ludziska żałuję dać sprzęgło, pompkę i trochę roboty, bo wtedy jest drożej i instalator nie jest już tak atrakcyjny cenowo. Wiem to z własnego przypadku, ja staram się do większości instalacji dawać sprzegło, i dodatkową pompkę. A czasem przegram z kimś cenowo kto robi to po kosztach bez tych elementów i jest tańszy. Ale potem są problemy, bo jak ktoś kombinuje jak najtaniej, a nie porównuje sobie projektów moich i konkurencji to potem ma takie problemy jak koledzy powyżej.... Założyłem na prawdę sporo takich pomp i wiem jaka jest różnica z i bez. A nie ma nic gorszego niż zimno w mrozy a pompa działa tylko na 60% mocy.....
- 20 628 odpowiedzi
-
- aquarea
- czujnik pokojowy panasonic
-
(i 1 więcej)
Oznaczone tagami:
-
Ok, a teraz powiedz mi, czy gdyby dom był pasywny powierzchnia 500mkw zapotrzebowanie 5kW, podłogówka rozłożona gęsto, poszło jakieś 4000m rury. To też można podpiąć na tylko tej pompce wbudowanej w pompę ciepła?
- 20 628 odpowiedzi
-
- aquarea
- czujnik pokojowy panasonic
-
(i 1 więcej)
Oznaczone tagami:
-
Załóżmy sytuację extremalną: Dom 120mkw zapotrzebowanie 5kW, Pompa T-CAP 9kW Jak delta będzie na pompie 5st. to sprężarka nie przyśpieszy. A jeżeli będzie delta 5st. a przepływ 0,5m3/h to mocy pompa nam odda 2,79kW,a dom potrzebuje 5kW. I teraz pompa Panasonic ma główny wyznacznik deltę 5st, ponieważ na niej najlepsze jest wykraplanie czynnika(najlepsze COP). A żeby na tej delcie pobrać więcej mocy musimy mieć większy przepływ. Bez większego przepływu pompa nie da rady dostarczyć więcej mocy. Dlatego ważne jest by pompka obiegowa miała odpowiednią moc, właśnie takie duże są montowane w PC. Bo czasem sprzęgło/bufor możę być dalej, wyżej, małe rury itd. Podpięcie budynku też jest możliwe na takiej pompce,ale pod warunkiem iż podłogówka jest bardzo gęsta i mocno odbiera ciepło, i co najważniejsze nie jest za duża żeby odebrać kW z pompy. Inaczej jest w mitsubishi, tam np. też są podobne pompki do tych Grundfosów w Panasonikach, tylko że tam zaprogramowano urządzenia tak że najpierw gonią do wysnaczonego parametru np. 40st. C kosztem delty, wtedy na początku mają deltę po np. 10-15 st.C, ale szybko dochodzą do zaprogramowanego parametru. Jest to związane z niższym COP, ale komfort jest większy.
- 20 628 odpowiedzi
-
- aquarea
- czujnik pokojowy panasonic
-
(i 1 więcej)
Oznaczone tagami:
-
Taka literatura odnośnie podpinania podłogówki pod PC: ale inni instalatorzy powiedzą, ale po co druga pompa? ta pociągnie.... i to ich największa pomyłka!
- 20 628 odpowiedzi
-
- aquarea
- czujnik pokojowy panasonic
-
(i 1 więcej)
Oznaczone tagami:
