Miesięcznik Murator ONLINE

Skocz do zawartości

golytm

Użytkownicy
  • Liczba zawartości

    81
  • Rejestracja

Zawartość dodana przez golytm

  1. golytm

    Regulacja PC - Galmet

    Witam. Dziękuję Panowie za pierwsze sugestie. Już odpowiadam na Wasze pytania: @zigobar: Przydławiałem pętle które bardziej się rozgrzewają i w efekcie słyszalny jest wyraźny huk przepływającej wody - jest to dość uciążliwe szczególnie w nocy. GZ:45/37,5 - ale to jest osiągane po przydławieniu całego powrotu z rozdzielacza. Przy pełnym przepływie delta była mniejsza - około 5-6 *C Nie dodawałem dodatkowej obiegówki (być może gdzieś za mocno zagmatwałem swój opis ). Pracuje tylko jedna obiegówka w PC - ustawiona na I. @lukasza: Z tego co pamiętam to rury kładzione były z rozstawem około 20cm. Trochę przesadziłem z tym że to jest 100%. Szacuję że kolejne pętle rozłożone są na powierzchniach: 1. 14 m^2 2. 10 m^2 3. 11 m^2 4. 3 m^2 5. 5,5 m^2 6. 10 m^2 7. 25 m^2 Jak widać wychodzi około 80m^2 więc trochę przesadziłem (policzyłem między innymi też kotłownie w której nie ma podłogówki) - przepraszam za to wprowadzenie w błąd. EP 89kWh jest z projektu - ze świadectwa jest w zasadzie takie samo. "Kominek, grzejniki, 100% podlogowki, PC. Grubo." hmmm Generalnie podczas realizacji miałem możliwość zakupu wszystkich elementów tych instalacji po niskich cenach.. na tyle niskich, że odbierałem sobie z produkcji Kominka z grzejnikami nie żałuję - genialnie się sprawdza właśnie na szybkie dogrzanie. Co do rotametrów - nie mam ich :/ Rozdzielacze są "gołe". Co w takim układzie proponujecie ?? Pozdrawiam.
  2. Witam. Zacznę od parametrów wejściowych : Dom: 112 m^2 Podłogówka - 100% powierzchni w 7 pętlach PC: Galmet 6,8 kW, odwiert pionowe Parametry pracy: około 45 min pracy sprężarki, 30 min przewy, Otrzymywane wyniki: temp. w sypialniach okolo 23*C, w salonie 20*C (w salonie umieszczony jest czujnik pokojowy), ostatnie 30 dni 691 kWh - na prądzie budowlanym. Brak mieszacza na rodzielaczu 70% powierzchni pokryta płytkami (gres) 2 osoby w budynku Dolne źródło - delta około 2,5 *C, powrót bardzo rzadko "schodził" poniżej 1*C EP budynku: 89kWh/m2rok I teraz tak... mam wrażenie że układ nie działa optymalnie Pierwszy problem to różnica w temperaturze pomieszczeń - podczas gdy w sypialniach jest ponad 22*C w salonie nad ranem jest około 20*C. To jest największa pętla i nad nią czuwa czujnik pokojowy, co powoduje ciągłe zezwalanie PC na pracę i grzanie sypialni w nieskończoność... a w salonie bida... żeby dogrzać salon musiałem podnieść krzywą, co powoduje że na zasilaniu PC daje dobre 45*C. PC kontroluje temp powrotu. Druga sprawa to wydaje mi się że za często się uruchamia - posadzka nie "trzyma" ? Co do automatyki tej pompy nie wypowiadam się, bo moim zdaniem szkoda słów... Pompa jest już po gwarancji i zamierzam samemu pogrzebać w jej sterowaniu. Prośba do Was - w jaki sposób mogę wyrównać temperatury i ewentualnie obniżyć jej energochłonność ? Pomyślałem że może ten największy obieg zostawić "bezpośrednio" z PC a pozostałe przez mieszacz (żeby obniżać ich temp)? Nie wiem czy to coś pomoże. Rozważałem tez bufor, ale PC jest za mała wg mnie na to. Bufor wpadł mi do głowy ponieważ mam kominek z płaszczem. Po co mi kominek ? podłaczony jest do grzejników - taki backup w razie chłodnych wieczorów jesienią - podłogówka ma swoją bezwładność, a kominkiem i grzejnikami moge szybko podnieść temperaturę, a potem PC robi swoje. Macie może jakieś pomysły? Pozdrawiam
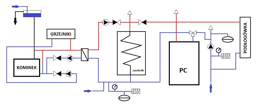
  3. Witam. Poniżej uzupełniony schemat Mam nadzieję że teraz jest czytelniejszy
  4. "Jak jest podgrzewana cwu z pompy ciepła ?" PC ma swoją pompę zainstalowaną na zasilaniu - to ona wymusza obieg do c.w.u lub c.o - pompa na powrocie założona została w jako wsparcie tej wewnątrz PC. "Czy schemat jest od producenta czy tak wyszło ?" Schemat po stronie podłogówki zgodny z tym co sugeruje producent. Dodana została zostałą pompa wspomagająca obieg c.o (ta na powrocie z podłogówki). Przed wstawieniem tej pompy sytuacja była taka sama, więc raczej nie ma wpływu na zapowietrzanie. Producent nie podawał schematu z układów połączonych z kominkiem, więc część od zasobnika do kominka dodany we własnym zakresie. Pozdrawiam Wojtek
  5. Dzięki za odpowiedź. Generalnie dogrzewanie cwu przez kominek bardzo rzadko jest używane, więc wg mnie to nie jest problem (w jakichś 90% przypadków kominek nie dogrzewa cwu). Jeżeli coś jest niejasne na schemacie, to chętnie dopowiem... Jeszcze raz dzięki za odpowiedź.
  6. Witam. Posiadam układ przedstawiony na załączonym schemacie (sorry za wykonanie Smile ) Składa się on z kominka z płaszczem wodnym o mocy 19 KW, który obsługuje grzejniki oraz zasobnik wody użytkowej, oraz pompy ciepła o mocy 6 KW, która obsługuje podłogówkę (110 m^2) plus zasobnik c.w.u. W większości przypadków pracuje tylko pompa, jednakże jeżeli nagrzeję sobie w kominku, to sterownik blokuje mi c.o. w pompie, a dodatkowo w przypadku w którym wystąpi mi "nadmiar ciepła" na kominku, ogrzewa on c.w.u. blokując jednocześnie c.w.u. z pompy. Tyle tytułem opisu - teraz problem. Niestety podczas pracy tylko PC, po przełączaniu się zaworu trójdrożnego manometr na powrocie c.o. do pompy ciepła pokazuje 0 a pompa na powrocie "mieli" powietrze. Dzieje się tak po przełączaniu c.o. - c.w.u i odwrotnie. Schemat instalacji:
×
×
  • Dodaj nową pozycję...