geoorge 01.10.2019 13:10 Zgłoś naruszenie Udostępnij Napisano 1 Października 2019 (edytowane) WitamPodpowie ktoś który wariant będzie miał większą sprawność?1. Wymiennik krzyżowy dwukrotnie przewymiarowany, czyli pracujący na połowie wydajności znamionowej.2. Podwójny wymiennik krzyżowy pracujący z wydajnością znamionową. A może obydwa warianty będą miały taką samą sprawność (taka sama powierzchnia wymienników)? Chcę coś stworzyć, ale najpierw analiza teoretyczna.Reku docelowo będzie miało nagrzewnicę wodną podłączoną do CO, a latem chcę schładzać powietrze zimną wodą ze studni.Chcę też zrobić jakiś tani sterownik z kontrolą z smartfonu, bilansowanie, płynna regulacja obrotów wentylatorów (tani czyli tak do 100 zł, może do 150 zł jak dołoży do tego kilka czujników temperatury).I kolejne pytanie przy okazji, jak zastosuję czujnik różnicowy ciśnienia i 1 pomiar na kanale nawiewanym do pomieszczeń, a 2 pomiar na kanale wywiewanym z pomieszczeń (zamontowane zaraz przy centrali). To prawidłowo zbilansowana wentylacja da odczyt z czujnika równy zero? Czy może lepiej 2 osobne czujniki ciśnienia: 1 w pomieszczeniu z wentylacją np. salon, a drugi na strychu? Pozdrawiam Edytowane 1 Października 2019 przez geoorge Cytuj Odnośnik do komentarza https://forum.murator.pl/topic/53717-rekuperator-quottymi-r%C4%99camiquot-robiony/page/338/#findComment-7722050 Udostępnij na innych stronach Więcej opcji udostępniania
Marek.M 02.10.2019 06:01 Zgłoś naruszenie Udostępnij Napisano 2 Października 2019 Chłodzenie wodą ze studni to wysoka wilgotność powietrza, bardzo wysoka, a to powoduje, że uczucie gorąca mimo niższej temp. jest większe. Nie wiem jaką temp. planujesz uzyskać. Cytuj Odnośnik do komentarza https://forum.murator.pl/topic/53717-rekuperator-quottymi-r%C4%99camiquot-robiony/page/338/#findComment-7722259 Udostępnij na innych stronach Więcej opcji udostępniania
geoorge 02.10.2019 06:19 Zgłoś naruszenie Udostępnij Napisano 2 Października 2019 (edytowane) Nie rozumiem dlaczego wysoka wilgotność, woda będzie się skraplała na wymienniku. Tak mi się wydaje, a jak działa klimatyzator też jest wysoka wilgotność? Edytowane 2 Października 2019 przez geoorge Cytuj Odnośnik do komentarza https://forum.murator.pl/topic/53717-rekuperator-quottymi-r%C4%99camiquot-robiony/page/338/#findComment-7722263 Udostępnij na innych stronach Więcej opcji udostępniania
Kaizen 02.10.2019 07:09 Zgłoś naruszenie Udostępnij Napisano 2 Października 2019 Nie rozumiem dlaczego wysoka wilgotność, woda będzie się skraplała na wymienniku. Tak mi się wydaje, a jak działa klimatyzator też jest wysoka wilgotność? W klimie powietrze po schłodzeniu ma z 5-6*, a to zawsze grubo poniżej punktu rosy i leje się. Nawet, jak osiągniesz z pomocą wody ze studni punkt rosy (co jest wątpliwe) to minimalnie i skropli się całe nic. Cytuj Odnośnik do komentarza https://forum.murator.pl/topic/53717-rekuperator-quottymi-r%C4%99camiquot-robiony/page/338/#findComment-7722278 Udostępnij na innych stronach Więcej opcji udostępniania
geoorge 02.10.2019 10:45 Zgłoś naruszenie Udostępnij Napisano 2 Października 2019 Czyli schładzanie powietrza wodą ze studnie nie jest dobrym pomysłem.A w GWC nie ma tego problemu? Cytuj Odnośnik do komentarza https://forum.murator.pl/topic/53717-rekuperator-quottymi-r%C4%99camiquot-robiony/page/338/#findComment-7722386 Udostępnij na innych stronach Więcej opcji udostępniania
Marek.M 02.10.2019 10:55 Zgłoś naruszenie Udostępnij Napisano 2 Października 2019 Czyli schładzanie powietrza wodą ze studnie nie jest dobrym pomysłem. A w GWC nie ma tego problemu? Zależy do jakiej temperatury schłodzisz to powietrze. Takie powietrze będzie miało praktycznie 100% wilgotności. Jeżeli będzie miało z 10st to w miarę ok, bo po zmieszaniu i wzroście temp. do 22-24st wilgotność będzie dość niska. Gorzej jak uzyskasz temp. powietrza tylko z 15st. Popatrz na wykresy punktu rosy. Cytuj Odnośnik do komentarza https://forum.murator.pl/topic/53717-rekuperator-quottymi-r%C4%99camiquot-robiony/page/338/#findComment-7722395 Udostępnij na innych stronach Więcej opcji udostępniania
geoorge 02.10.2019 11:09 Zgłoś naruszenie Udostępnij Napisano 2 Października 2019 GWC schładza podobno powietrze z 35 do 17-18 stopni (powyżej punktu rosy)."...Poprawia się również wilgotność świeżego powietrza. W zimie powietrze jest nawilżane. Natomiast latem powietrze jest osuszane, co eliminuje odczucie duszności w pomieszczeniach. ..."I tutaj nie występuje problem wysokiej wilgotności? Cytuj Odnośnik do komentarza https://forum.murator.pl/topic/53717-rekuperator-quottymi-r%C4%99camiquot-robiony/page/338/#findComment-7722401 Udostępnij na innych stronach Więcej opcji udostępniania
tomno 04.10.2019 18:55 Zgłoś naruszenie Udostępnij Napisano 4 Października 2019 Czy ktoś może posiada/widział u kogoś taki (link poniżej) miernik CO2? Jest mi w stanie powiedzieć coś na temat poprawności jego wskazań i czy warto taki kupić?https://pl.aliexpress.com/item/4000203253143.html?spm=a2g1y.12024536.productList_4392923.subject_8&fbclid=IwAR0FsQWJvTbCls9oykK1qUKi9HP9fpLRdyGQ4NjCxAoeauzWy0GVusX6sOo Cytuj Odnośnik do komentarza https://forum.murator.pl/topic/53717-rekuperator-quottymi-r%C4%99camiquot-robiony/page/338/#findComment-7723223 Udostępnij na innych stronach Więcej opcji udostępniania
Di. 07.10.2019 10:29 Zgłoś naruszenie Udostępnij Napisano 7 Października 2019 GWC schładza podobno powietrze z 35 do 17-18 stopni (powyżej punktu rosy). "...Poprawia się również wilgotność świeżego powietrza. W zimie powietrze jest nawilżane. Natomiast latem powietrze jest osuszane, co eliminuje odczucie duszności w pomieszczeniach. ..." I tutaj nie występuje problem wysokiej wilgotności? No wlasie przy GWC czy zwirowym czy rurowym jakos nie wystepuje, jest nawet poprawa. Cytuj Odnośnik do komentarza https://forum.murator.pl/topic/53717-rekuperator-quottymi-r%C4%99camiquot-robiony/page/338/#findComment-7723956 Udostępnij na innych stronach Więcej opcji udostępniania
tomno 02.11.2019 18:55 Zgłoś naruszenie Udostępnij Napisano 2 Listopada 2019 Automatyczne sterowania wydajności wentylacji na podstawie CO2. Rekuperator z silnikami EC sterowane 0-10V Gdyby ktoś był zainteresowany, to na podstawie miernika CO2 zrobiłem sterowanie wydajnością wentylacji. W mierniku musiałem wprowadzić pewne przeróbki, ponieważ oryginalnie podawał na sterowanie 230V. W zaznaczonych miejscach (na zdjęciu) przeciąłem ścieżki, dodatkowo na wzór oryginału przewierciłem płytkę w newralgicznych miejscach. Daję również schemat, choć może nie idealnie narysowany, ale chyba da się zrozumieć. Zasilanie: "+" podpięty z jednego silnika, "-" z obydwóch. Potencjometr 1- ustalenie max wydajności, która jest po włączeniu "bypassu". 2 (będzie, ale jeszcze nie zrobiłem) wraz z przełącznikiem zmiana zima/lato - zmniejszanie wydajności wszystkich biegów na zimę. 3, 4, 5, 6 - ustala prędkość biegów. 7 i 8 do ustawienia balansu (na razie są tak podłączone, ale chyba również podłącze je jako dzielniki napięcia). Są 4 prędkości sterowane automatycznie na podstawie CO2 lub zaprogramowanego czasu oraz ręcznie i 5 - ręcznie włączane wietrzenie, niezależne od sposobu i biegu aktualnej pracy. Cytuj Odnośnik do komentarza https://forum.murator.pl/topic/53717-rekuperator-quottymi-r%C4%99camiquot-robiony/page/338/#findComment-7732845 Udostępnij na innych stronach Więcej opcji udostępniania
stam222 05.11.2019 06:26 Zgłoś naruszenie Udostępnij Napisano 5 Listopada 2019 Witam, ma ktoś może jakiś schemat podłączenia 2 potencjometrów? Jeden do obydwu wentyli a drugi do regulacji i zrównoważenia.Pozdrawiam Cytuj Odnośnik do komentarza https://forum.murator.pl/topic/53717-rekuperator-quottymi-r%C4%99camiquot-robiony/page/338/#findComment-7733742 Udostępnij na innych stronach Więcej opcji udostępniania
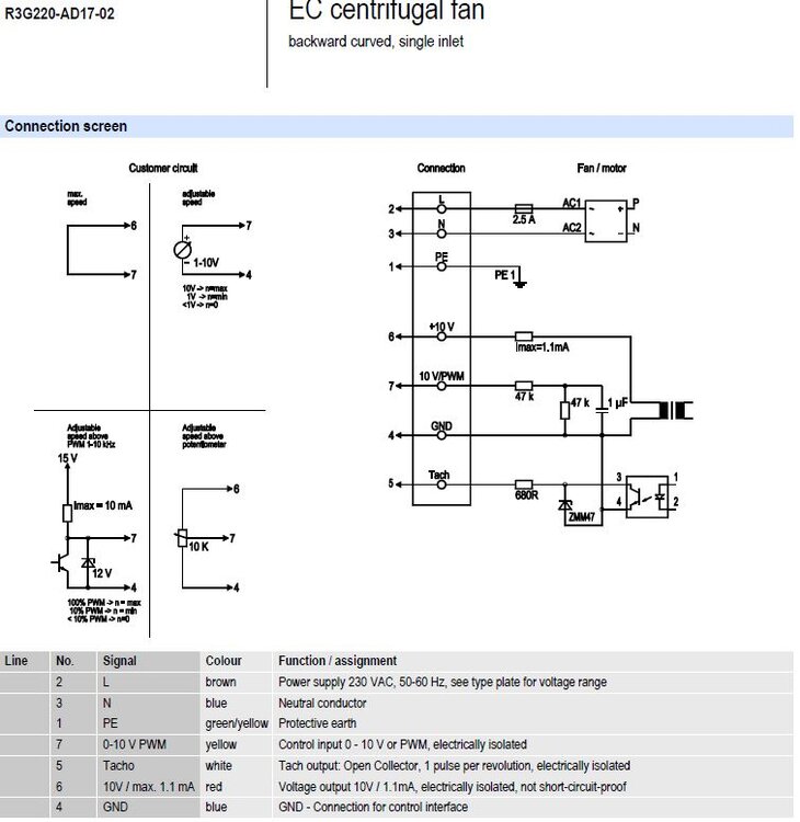
wlochu3 06.11.2019 13:10 Zgłoś naruszenie Udostępnij Napisano 6 Listopada 2019 Witam Panowie, Posiadam na zbyciu 1 wentylator EC: EBM PAPST R3G220-AD17-02 - EC Centrifungal fan backward curved, single inlet, Wentylator byl urzywany podczas testow Rozdzielnicy LV, w pelni sprawny. Jak ktos zainteresowany prosze pisac Pozdro. Cytuj Odnośnik do komentarza https://forum.murator.pl/topic/53717-rekuperator-quottymi-r%C4%99camiquot-robiony/page/338/#findComment-7734411 Udostępnij na innych stronach Więcej opcji udostępniania
stam222 07.11.2019 21:11 Zgłoś naruszenie Udostępnij Napisano 7 Listopada 2019 Witam, ma ktoś może jakiś schemat podłączenia 2 potencjometrów? Jeden do obydwu wentyli a drugi do regulacji i zrównoważenia. Pozdrawiam Poważnie nikt nie ma żadnego schematu? Cytuj Odnośnik do komentarza https://forum.murator.pl/topic/53717-rekuperator-quottymi-r%C4%99camiquot-robiony/page/338/#findComment-7735056 Udostępnij na innych stronach Więcej opcji udostępniania
matt88 09.11.2019 18:27 Zgłoś naruszenie Udostępnij Napisano 9 Listopada 2019 Witam, czy ktoś mógłby mi podesłać kalkulator Klingenburga? Z góry dziękuję. Cytuj Odnośnik do komentarza https://forum.murator.pl/topic/53717-rekuperator-quottymi-r%C4%99camiquot-robiony/page/338/#findComment-7735732 Udostępnij na innych stronach Więcej opcji udostępniania
Ramzi85 09.11.2019 20:14 Zgłoś naruszenie Udostępnij Napisano 9 Listopada 2019 Napisz meila na priv to ci wyślę. Cytuj Odnośnik do komentarza https://forum.murator.pl/topic/53717-rekuperator-quottymi-r%C4%99camiquot-robiony/page/338/#findComment-7735787 Udostępnij na innych stronach Więcej opcji udostępniania
romano78 10.11.2019 11:40 Zgłoś naruszenie Udostępnij Napisano 10 Listopada 2019 Poważnie nikt nie ma żadnego schematu? Ja mam dwa potencjometry ale liczyłem to bez żadnego schematy musiałbym wyjść na strych i zobaczyć bo nie pamiętam Cytuj Odnośnik do komentarza https://forum.murator.pl/topic/53717-rekuperator-quottymi-r%C4%99camiquot-robiony/page/338/#findComment-7735990 Udostępnij na innych stronach Więcej opcji udostępniania
stam222 11.11.2019 08:08 Zgłoś naruszenie Udostępnij Napisano 11 Listopada 2019 Dzięki Romano, a zrobiłbyś jakieś zdjęcie przy okazji, poproszę? Cytuj Odnośnik do komentarza https://forum.murator.pl/topic/53717-rekuperator-quottymi-r%C4%99camiquot-robiony/page/338/#findComment-7736393 Udostępnij na innych stronach Więcej opcji udostępniania
humidorek 11.12.2019 21:26 Zgłoś naruszenie Udostępnij Napisano 11 Grudnia 2019 Czy ktoś z Was na bazie swojego doświadczenia w montażu chciałby zrobić dla mnie dwie skrzynki wentylatorów EBM o wlotach 400mm? Maksymalnie wygłuszone. Najlepiej z pomiarem i montażem w Ożarowie Mazowieckim pod Warszawą. Cytuj Odnośnik do komentarza https://forum.murator.pl/topic/53717-rekuperator-quottymi-r%C4%99camiquot-robiony/page/338/#findComment-7749970 Udostępnij na innych stronach Więcej opcji udostępniania
Di. 03.01.2020 09:58 Zgłoś naruszenie Udostępnij Napisano 3 Stycznia 2020 Poważnie nikt nie ma żadnego schematu? To jest tak proste, ze nawet schematu nie potrzeba. Potencjometr ma 3 polaczenia, na prosty rozum: +; -; i wyjscie regulowane. + i - wpinasz na zasilanie 10V (z silnika jesli ma) , wyjscie regulowane na sterowanie do silnika (w/g schematu silnika). Na tym wyjsciu bedziesz mial 0-10V, w zaleznosci od ustawienia potencjometru. Wpinasz to w oba silniki i masz oba na jednym potencjometrze, albo ten, ktorym chcesz dodatkowo sterowac analogicznie podlaczasz pod kolejny potencjometr: + bierzesz z "wyjscia regulowanego", - z tego samego minusa, a kolejne "wyjscie regulowane" wpinasz w sterowanie drugim silnikiem, W ten sposob pierwszym potencjometrem sterujesz oba silniki, drugi natomiast ustawiony maksymalnie daje predkosci 1:1 i mozna tylko zmniejszac obroty drugiego silnika wzgledem pierwszego. Cytuj Odnośnik do komentarza https://forum.murator.pl/topic/53717-rekuperator-quottymi-r%C4%99camiquot-robiony/page/338/#findComment-7757430 Udostępnij na innych stronach Więcej opcji udostępniania
stam222 14.01.2020 22:22 Zgłoś naruszenie Udostępnij Napisano 14 Stycznia 2020 Wielkie dzięki ale nic nie rozumiem dla mnie to czarna magia to co piszesz dlatego wolałbym widzieć jakiś schemat. Dziękuję jednakowoż za chęć pomocy. Cytuj Odnośnik do komentarza https://forum.murator.pl/topic/53717-rekuperator-quottymi-r%C4%99camiquot-robiony/page/338/#findComment-7762220 Udostępnij na innych stronach Więcej opcji udostępniania
Recommended Posts
Dołącz do dyskusji
Możesz dodać zawartość już teraz a zarejestrować się później. Jeśli posiadasz już konto, zaloguj się aby dodać zawartość za jego pomocą.